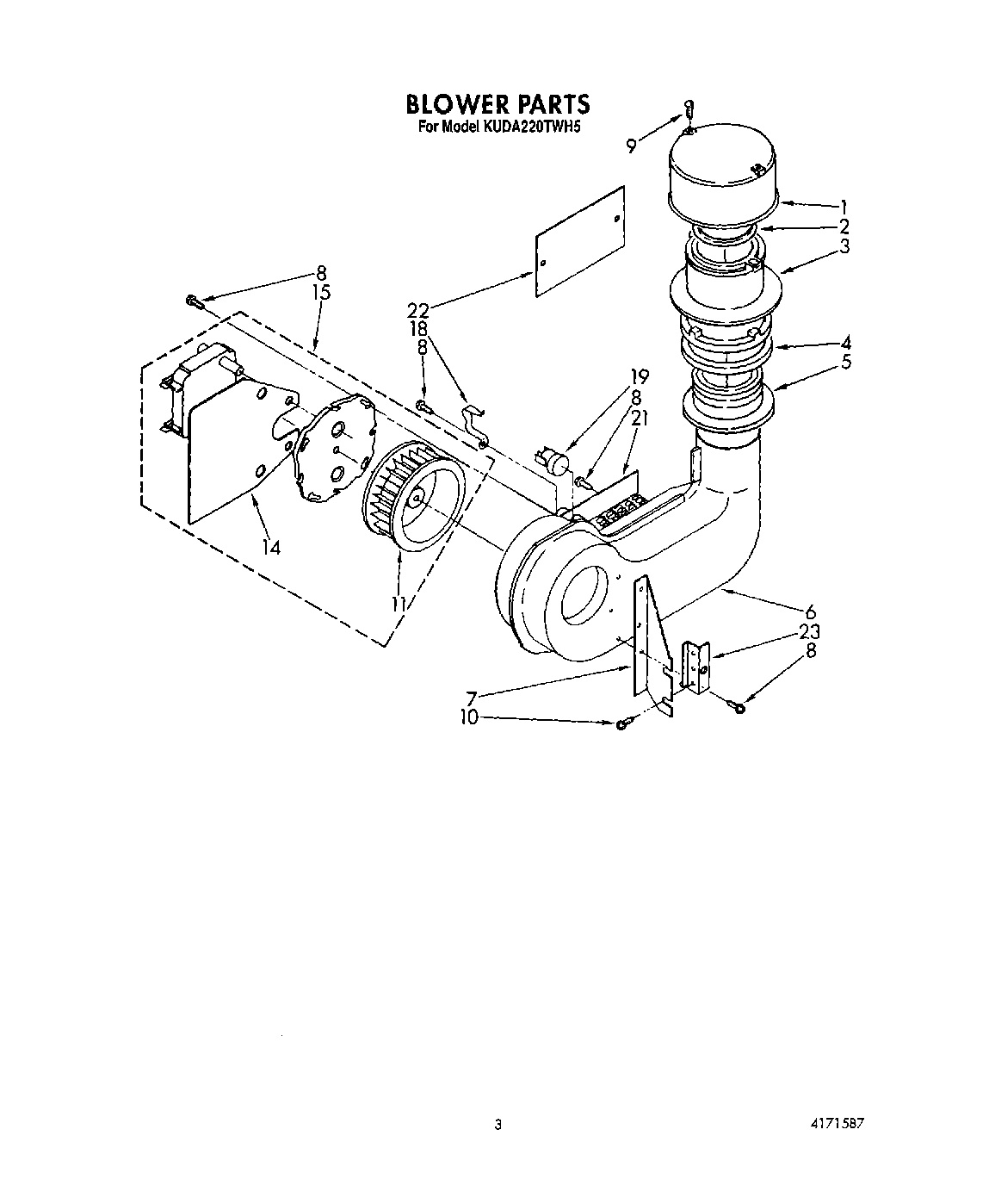
KUDA220TWH5 03 – BLOWER