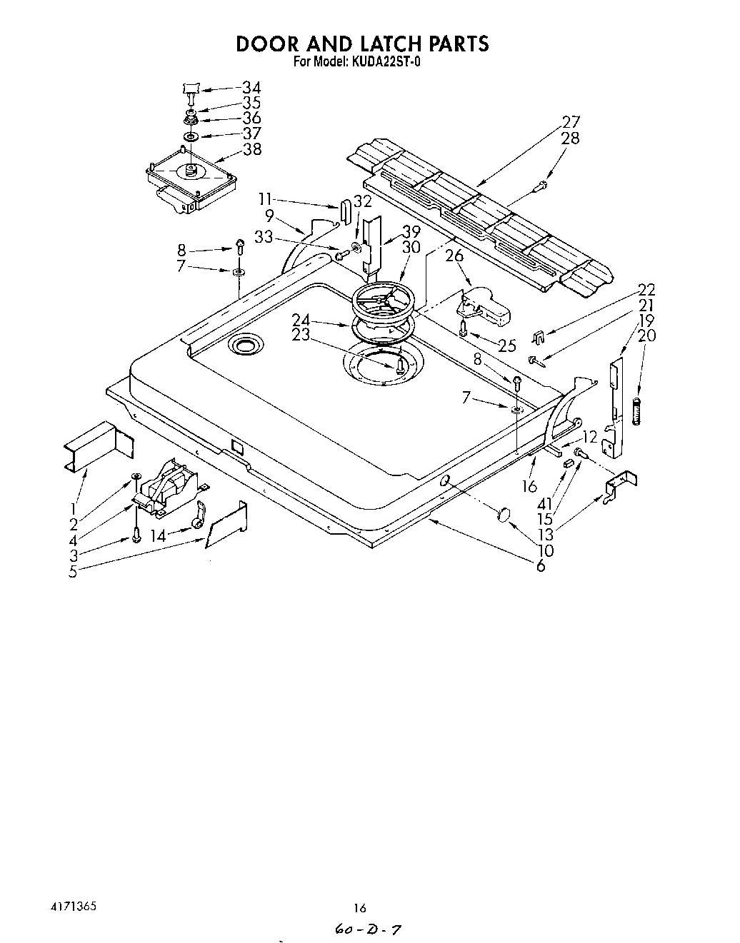
KUDA22ST0 13 – DOOR AND LATCHadmin2025-04-26T12:56:38+00:00KUDA22ST0 13 – DOOR AND LATCH
Products
| Position | Product |
|---|
| 1 | Cover, Wiring Harness |
| 2 | Washer |
| 3 | WP693304 Whirlpool Screw |
| 4 | Latch Mechanism Assembly |
| 5 | Insulation, Switch |
| 6 | Inner Door Assembly |
| 8 | Screw, 10-32 x 5/16 |
| 9 | Bracket, L.H. Door Stop |
| 10 | Plug Button |
| 11 | Bearing, Door Stop Insert (2) |
| 12 | Vapor Barrier, Inner Door (Includes Item No. 41) |
| 13 | Bracket, Spring Mounting (L.H.) |
| 13 | Bracket, Spring Mounting (R.H.) |
| 14 | Actuator, Door Latch |
| 15 | WP3390631 Whirlpool Screw |
| 16 | Bracket, R.H. Door Stop |
| 19 | Bracket, R.H. Hinge |
| 20 | WP4171383 Whirlpool Dishwasher Spring |
| 21 | Pin, Hinge |
| 22 | Clip, Hinge Pin Retaining |
| 23 | Screw |
| 24 | Gasket, Detergent Dispenser |
| 25 | SCREW |
| 26 | WP4162568 Whirlpool Bi-metal Thermostat |
| 27 | Baffle, Lower |
| 30 | WP9740171 Whirlpool Dishwasher Dispenser |
| 32 | Washer (Rubber) |
| 33 | Screw, 10-32 X 1/2 |
| 34 | Fill Hole Plug Assembly (Includes Item 35) |
| 35 | Washer, Fill Hole Plug |
| 36 | Nut, Rinse Agent Dispenser |
| 37 | Gasket, Rinse Agent Dispenser |
| 38 | Rinse Agent Dispensing Valve |
| 39 | Bracket, L.H. Hinge |
| 41 | Vapor Barrier, Corner (2) |