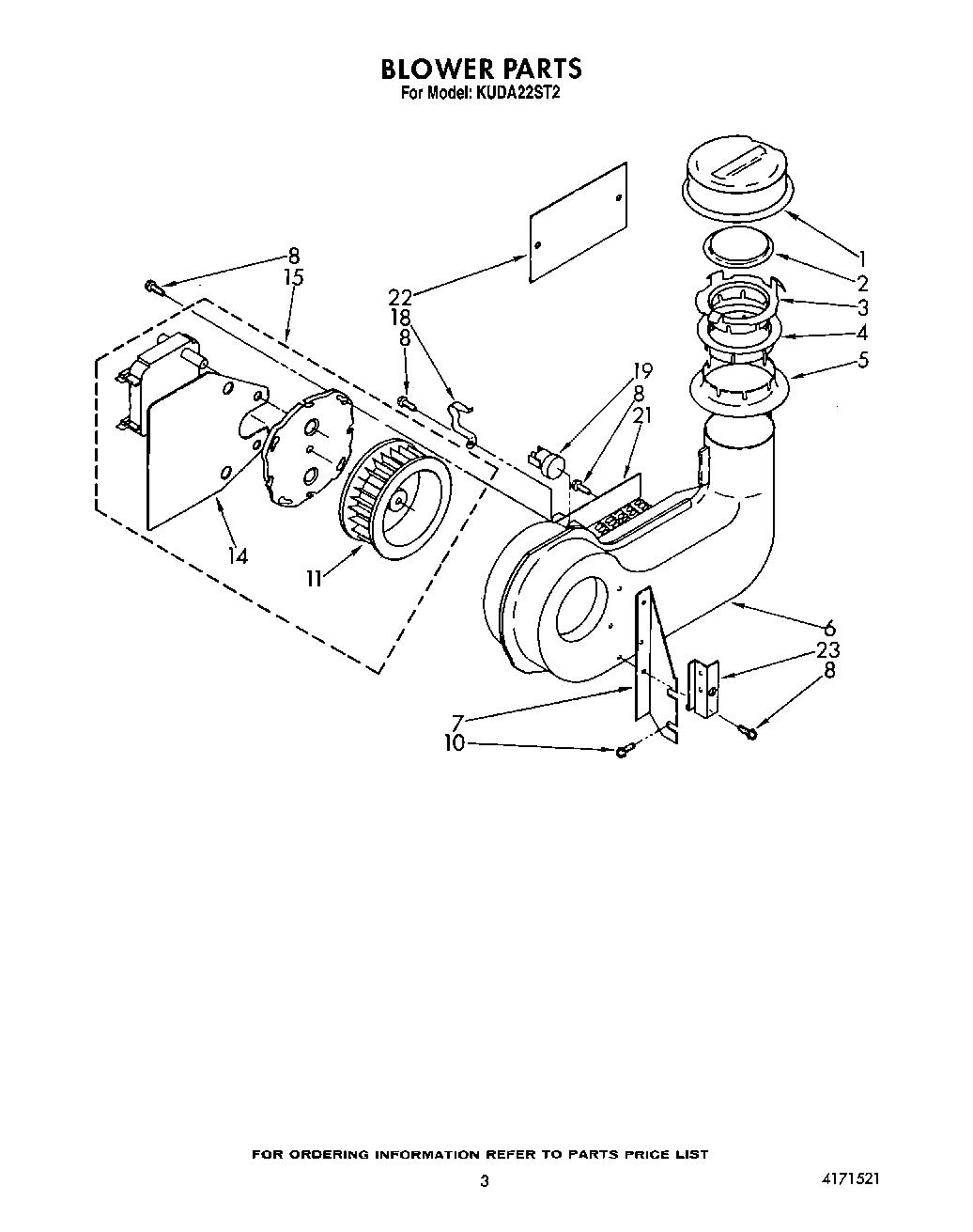
KUDA22ST2 03 – BLOWER