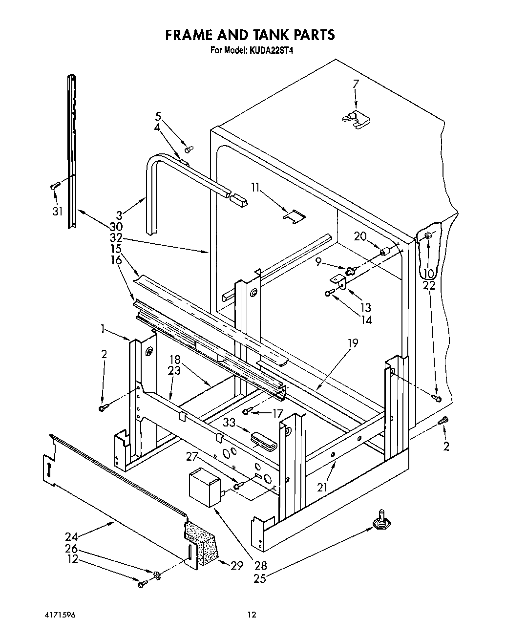
KUDA22ST4 10 – FRAME AND TANKadmin2025-04-26T12:55:41+00:00KUDA22ST4 10 – FRAME AND TANK
Products
| Position | Product |
|---|
| 1 | Short Frame Assembly (Includes Items 2, 18, 19, 21, & 23) |
| 2 | WP693304 Whirlpool Screw |
| 3 | Door Seal Assembly (Includes Item 4) |
| 4 | Clip, Seal |
| 5 | Bumper, Door |
| 7 | Clip, Retainer |
| 9 | Actuator, Interlock Switch |
| 10 | Lock Nut |
| 11 | Keeper, Latch |
| 12 | Screw, 10-16 x 3/8 |
| 13 | WP9741251 Whirlpool Mounting Bracket |
| 14 | Screw, 10-16 x 1/2 |
| 15 | Channel, Evaporation |
| 16 | Support, Evaporation Channel |
| 17 | Screw, 10-32 X 1/2 |
| 18 | Frame Assembly (L.H.) |
| 19 | Cross Frame, Rear |
| 20 | Sleeve, Actuator |
| 21 | Frame Assembly (R.H.) |
| 22 | Screw (2) |
| 23 | Cross Frame, Front |
| 24 | Kick Board ((Black)) |
| 25 | Foot, Leveling (4) |
| 26 | Lock Washer No.10 Ext. Shake- proof |
| 27 | Screw |
| 28 | SCREW |
| 28 | Enclosure, Elec. Supply |
| 29 | Shield, Insulation |
| 30 | Trim, Tank (R.H.) |
| 30 | Trim, Tank (L.H.) |
| 31 | Screw, 10-24 X 1/2 |
| 32 | Tank (Serviced Complete with Frame) |
| 33 | Protector, Edge |