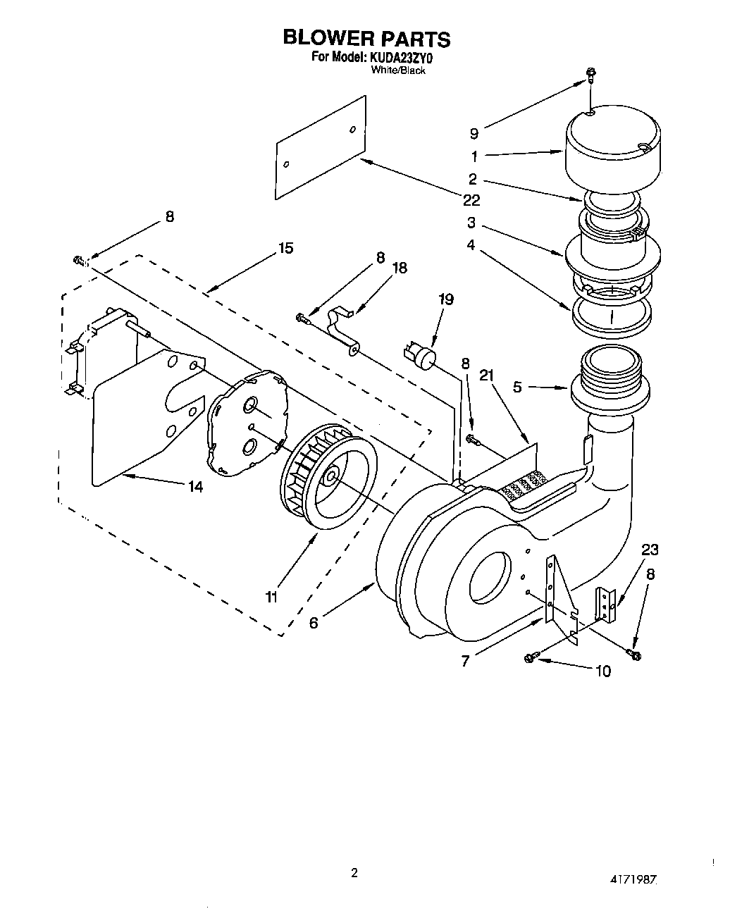
| 1 | Cover, Air Inlet |
| 2 | Float, Check Valve |
| 3 | Vent Tube |
| 4 | Seal |
| 5 | Retainer, Vent Tube |
| 6 | Dryer Housing |
| 7 | Bracket, Housing Support |
| 8 | Screw, Self- Tapping 8-18 X 5/16 Phil. Pan Hd. |
| 9 | Screw, No.6 (2) |
| 10 | Screw, 10-16 X 5/8 |
| 11 | Wheel, Blower |
| 14 | Cover, Dryer Motor |
| 15 | Blower Motor Assembly |
| 18 | Clip, Thermoprotector |
| 19 | Thermostat |
| 21 | Heater, Open |
| 22 | Access Cover |
| 23 | Bracket, Blower Mounting |