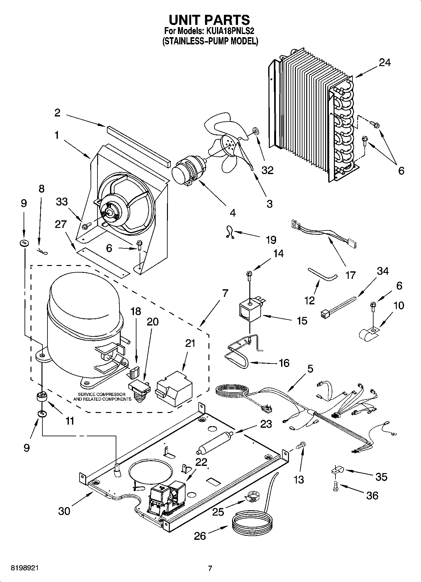
KUIA18PNLS2 05 – UNIT PARTSadmin2025-04-26T12:44:11+00:00KUIA18PNLS2 05 – UNIT PARTS ProductsPositionProduct1WP2185532 Whirlpool Refrigerator Bracket22185675 Whirlpool Refrigerator Foam Pad3Blade, Fan4W10822259 Whirlpool Refrigerator Condenser Fan Motor5Wiring Harness, Complete Unit (Includes Power Cord)6WP489069 Whirlpool Compactor Screw7W11735041 Whirlpool Compressor8A201435 Whirlpool Refrigerator Clip9A201441 Whirlpool Refrigerator Shim10CLAMP, POWER CORD112185965 Whirlpool Refrigerator Grommet12W10528572 Whirlpool Refrigerator Tube13WP999367 Whirlpool Refrigerator Screw14SCREW15Coil, Solenoid16W10724988 Whirlpool Refrigerator Gas Valve17Wiring Harness, Condenser Fan18WP2217223 Whirlpool Refrigerator Overload Relay19Twist Loc20WP2217224 Whirlpool Refrigerator Start Relay21WP2162358 Whirlpool Refrigerator Terminal Cover221901A Whirlpool Ice Maker Drain Pump Kit23W10843121 Whirlpool Refrigerator Tube248201810 Whirlpool Refrigerator Condenser25W10861184 Whirlpool Refrigerator Clamp26Tube, Drain272217397 Whirlpool Foam Pad302217446 Whirlpool Refrigerator Base Condenser32WP486692 Whirlpool Refrigerator Nut33WP8281196 Whirlpool Screw34Strap35W11456069 Whirlpool Refrigerator Clamp36WP3400884 Whirlpool Refrigerator Screw36REFRIGERANT CHARGE 6.5 OZ. (R134A)