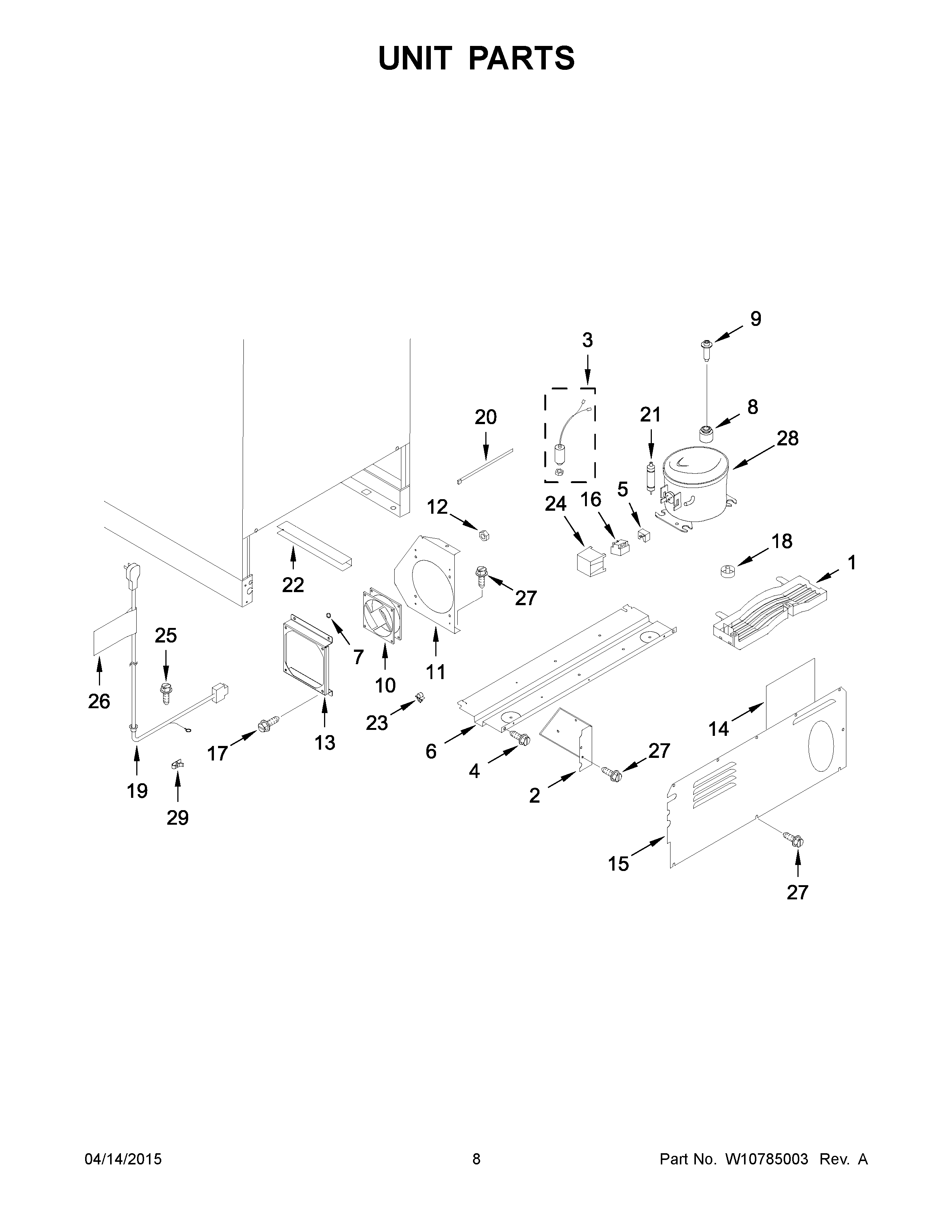
KURL204ESB00 05 – UNIT PARTSadmin2025-04-26T09:32:36+00:00KURL204ESB00 05 – UNIT PARTS ProductsPositionProductNICABINET (NOT A SERVICEABLE PART)1W11506518 Whirlpool Refrigerator Drip Pan2BRACKET, DEFROST TIMER3W10772895 Whirlpool Refrigerator Capacitor44344797 Whirlpool Screw5W10780361 Whirlpool Refrigerator Overload Relay6CABINET BASE PLATE7W10204688 Whirlpool Plate Assembly8WP4344779 Whirlpool Refrigerator Grommet9W10772873 Whirlpool Screw10W10772882 Whirlpool Refrigerator Condenser Motor11W10204674 Whirlpool Refrigerator Baffle12NUT13W11506521 Whirlpool Refrigerator Bracket14SEAL, COLD AIR STOP15W10796445 Whirlpool Refrigerator Back Cover16W10287848 Whirlpool Refrigerator Thermistor17SCREW18W10163276 Whirlpool Refrigerator Trap19WPW10204676 Whirlpool Refrigerator Power Cord204344829 Whirlpool Tie Wire21W10163273 Whirlpool Refrigerator Tube22TRIM, EDGE23W10238022 Whirlpool Refrigerator Clip24COVER, RELAY254344826 Whirlpool Refrigerator Screw264344913 Whirlpool Label Assembly27W11380570 Whirlpool Microwave Screw28COMPRESSOR29CLAMP, CORD