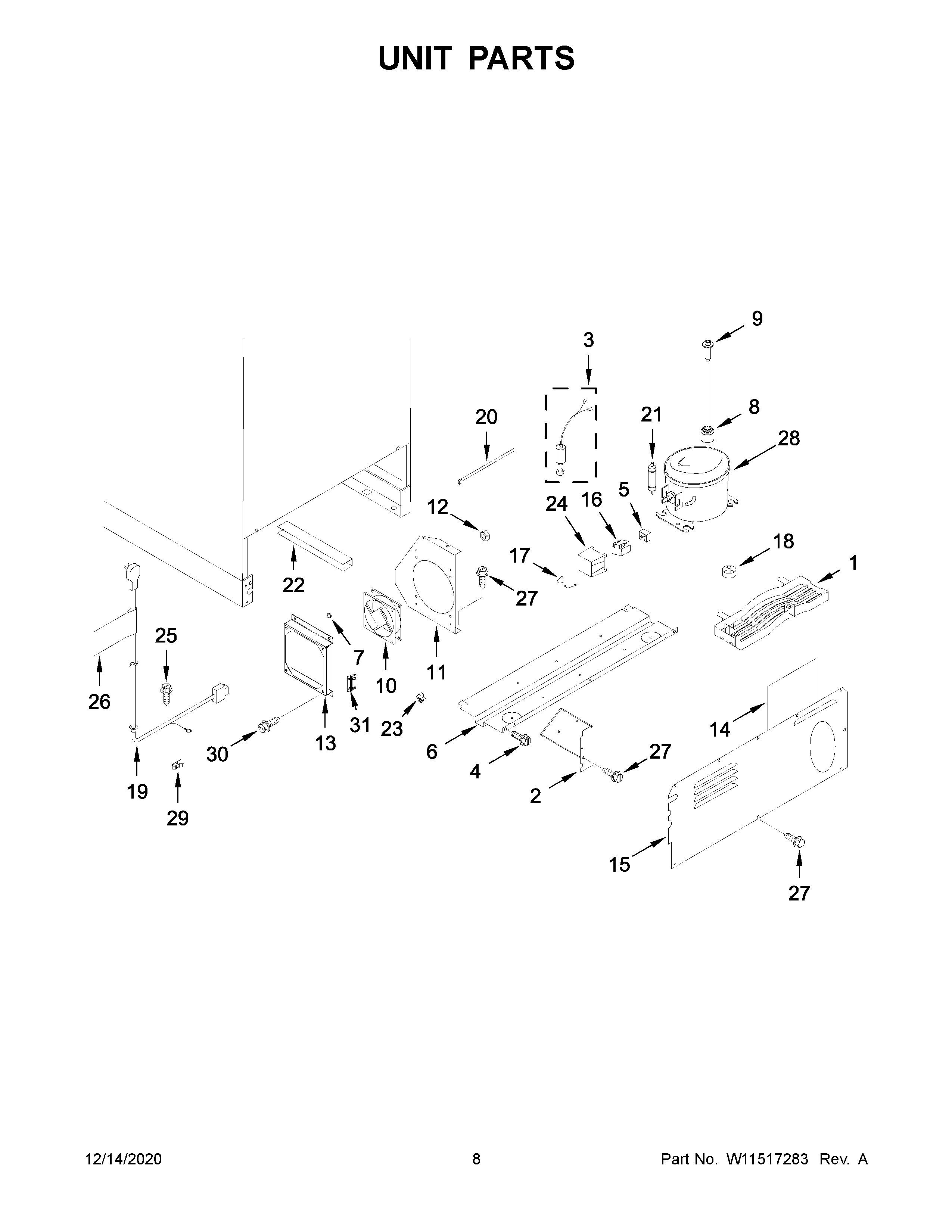
KURR104EPA01 05 – UNIT PARTSadmin2025-04-26T09:35:25+00:00KURR104EPA01 05 – UNIT PARTS ProductsPositionProductNICABINET (NOT A SERVICEABLE PART)1W10316689 Whirlpool Refrigerator Drip Pan2BRACKET, (DEFROST TIMER)3W10778969 Whirlpool Refrigerator Capacitor44344797 Whirlpool Screw5W10778965 Whirlpool Refrigerator Overload Relay6CABINET BASE PLATE7W10204688 Whirlpool Plate Assembly8WP4344779 Whirlpool Refrigerator Grommet9W10772873 Whirlpool Screw10W10772882 Whirlpool Refrigerator Condenser Motor11W10204674 Whirlpool Refrigerator Baffle12NUT13W11506521 Whirlpool Refrigerator Bracket14INSULATION, REAR COVER15W10796445 Whirlpool Refrigerator Back Cover16W10778966 Whirlpool Refrigerator Thermistor17CLIP, RELAY COVER18W10163276 Whirlpool Refrigerator Trap19WPW10204676 Whirlpool Refrigerator Power Cord204344829 Whirlpool Tie Wire21W10163273 Whirlpool Refrigerator Tube22TRIM, EDGE23W10238022 Whirlpool Refrigerator Clip24COVER, RELAY254344826 Whirlpool Refrigerator Screw264344913 Whirlpool Label Assembly27W11380570 Whirlpool Microwave Screw288201787 Whirlpool Refrigerator Compressor29CLAMP, CORD30SCREW31CLAMP, CORD