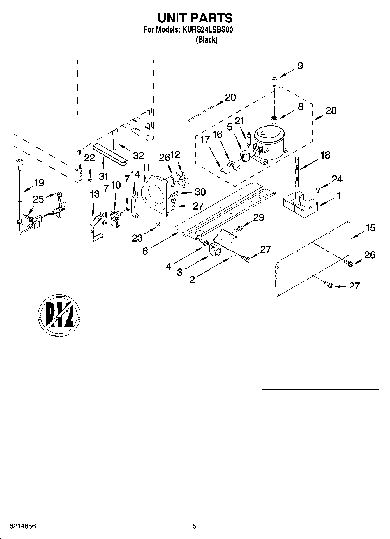
KURS24LSBS00 04 – UNIT PARTS