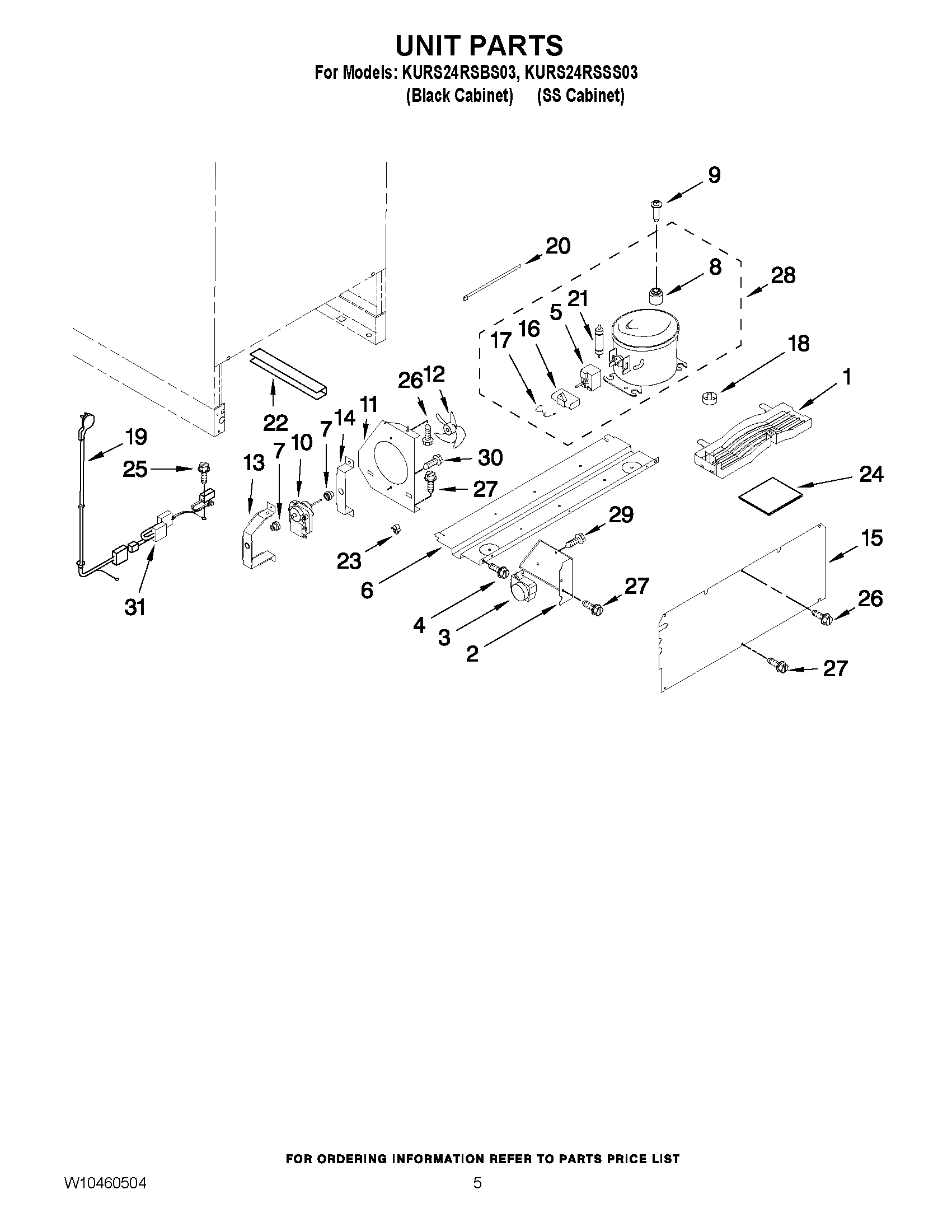
KURS24RSBS03 04 – UNIT PARTSadmin2025-04-26T09:34:09+00:00KURS24RSBS03 04 – UNIT PARTS ProductsPositionProductNICABINET (NOT A SERVICEABLE PART)1W10316689 Whirlpool Refrigerator Drip Pan2BRACKET, (DEFROST TIMER)3W11609704 Whirlpool Refrigerator Defrost Timer44344797 Whirlpool Screw5WP4344776 Whirlpool Refrigerator Start Device6MOUNTING PLATE, COMPRESSOR7Grommet, Fan Motor8WP4344779 Whirlpool Refrigerator Grommet9W10772873 Whirlpool Screw10WPW10299090 Whirlpool Refrigerator Condenser Motor11Baffle, Air12WPW10299081 Whirlpool Refrigerator Fan Blade134344784 Whirlpool Bracket144344785 Whirlpool Bracket154344786 Whirlpool Back Cover16WP1188476 Whirlpool Air Conditioner Capacitor17WP4344836 Whirlpool Clip18W10163276 Whirlpool Refrigerator Trap19WPW10204676 Whirlpool Refrigerator Power Cord204344829 Whirlpool Tie Wire21W10163273 Whirlpool Refrigerator Tube22TRIM, EDGE23W10238022 Whirlpool Refrigerator Clip24W10163274 Whirlpool Pad254344826 Whirlpool Refrigerator Screw26SCREW27W11380570 Whirlpool Microwave Screw288201787 Whirlpool Refrigerator Compressor29Screw30WP90767 Whirlpool Screw31W10358623 Whirlpool Wire Harness