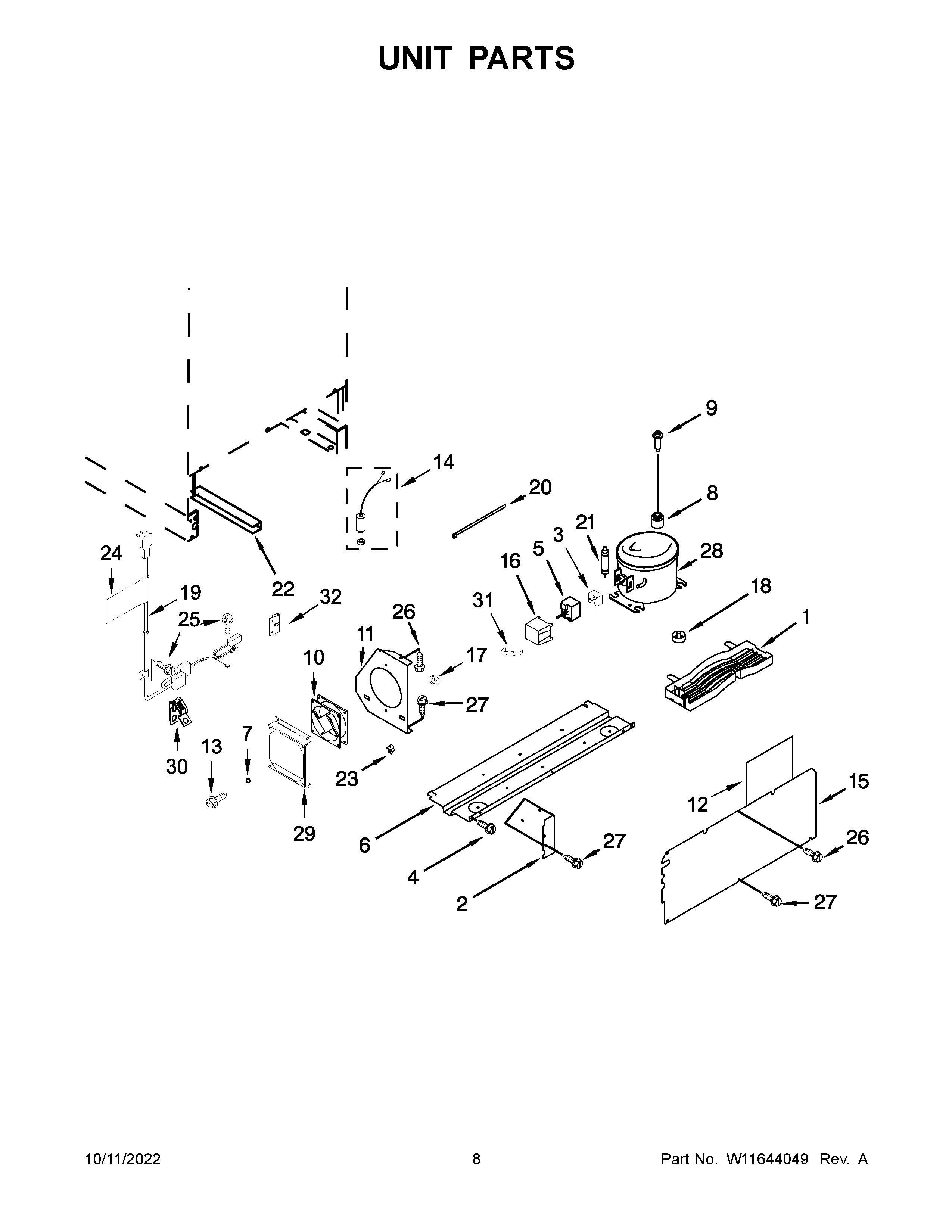
KUWL304EBS03 05 – UNIT PARTS