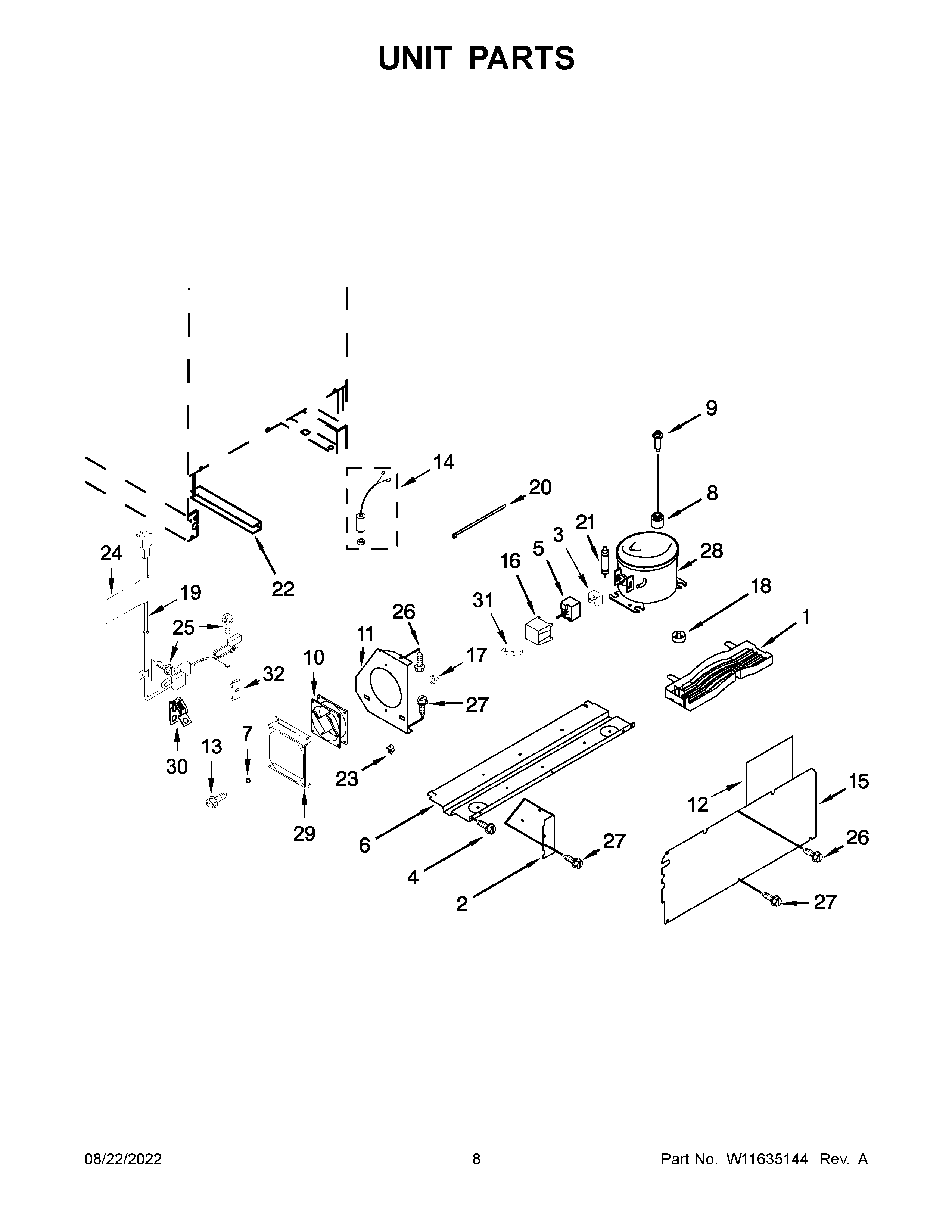
KUWR204EPA01 05 – UNIT PARTSadmin2025-04-26T09:35:01+00:00KUWR204EPA01 05 – UNIT PARTS ProductsPositionProductNICABINET (NOT A SERVICEABLE PART)NIW11562741 Whirlpool Refrigerator Compressor1W10316689 Whirlpool Refrigerator Drip Pan2BRACKET, (DEFROST TIMER)3OVERLOAD44344797 Whirlpool Screw5W11596023 Whirlpool Start Device6CABINET BASE PLATE7W10204688 Whirlpool Plate Assembly8WP4344779 Whirlpool Refrigerator Grommet9W10772873 Whirlpool Screw10W10772882 Whirlpool Refrigerator Condenser Motor12INSULATION, REAR COVER13SCREW14W10778969 Whirlpool Refrigerator Capacitor15W10796445 Whirlpool Refrigerator Back Cover16COVER, RELAY17NUT18W10163276 Whirlpool Refrigerator Trap19WPW10204676 Whirlpool Refrigerator Power Cord204344829 Whirlpool Tie Wire21W10163273 Whirlpool Refrigerator Tube22TRIM, EDGE23W10238022 Whirlpool Refrigerator Clip244344913 Whirlpool Label Assembly254344826 Whirlpool Refrigerator Screw26SCREW27W11380570 Whirlpool Microwave Screw28W11422743 Whirlpool Compressor29W11506521 Whirlpool Refrigerator Bracket30CLAMP, CORD31W11498144 Whirlpool Retainer32CLAMP, CORD