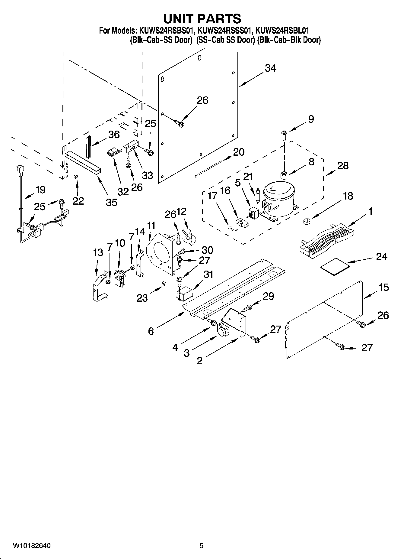
KUWS24RSBS01 04 – UNIT PARTS