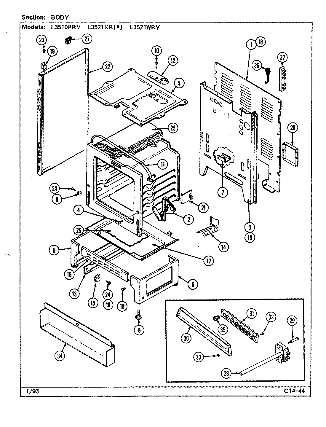
L3527XRB 01 – BODYadmin2025-04-26T09:03:48+00:00L3527XRB 01 – BODY ProductsPositionProduct1MAY 4005F455-512MAY 7106P055-603MAY 740013414SCREW, HINGE5MAY 4011F238-196MAY 4020W017-807MAY 3605F174-518MAY 740013119MAY 8004P024-6010SCREW11MAY 4820F001-5912COVER, VENT13MAY 3406F028-5114MAY 7101P289-6014MAY 3801F218-5115MAY 8004P025-6016MAY 4020F001-8017MAY 3804F109-5118MAY 7101P290-6019SPACER, MAIN TOP (RT)19SPACER, MAIN TOP (LT)20MAY 4005F427-5121SUPPORT,OVEN REAR22MAY 2618F110-7023MAY 7118P013-6024MAY 7101P300-6025MAY 4804F031-6025MAY 4804F032-6026MAY 8312P058-6027MAY 7401P038-6028MAY 7404P057-6029MAY 7118P020-6030MAY 3801F309-8031MAY 7401P031-6032MAY 7101P068-6033MAY 7101P263-6033MAY 7103P064-6034MAY 4005F417-5135MAY 7416P006-6035MAY 7416P005-6036MAY 7402P036-60