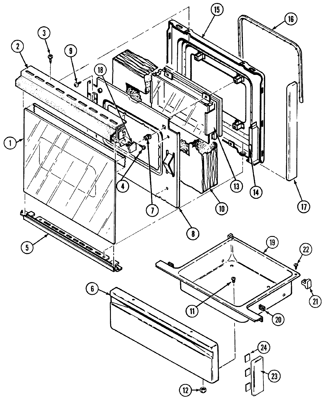
L3581XUW 03 – DOOR/DRAWERadmin2025-04-26T09:03:46+00:00L3581XUW 03 – DOOR/DRAWER ProductsPositionProduct1MAY 7902P321-602MAY 7701P103-603WP98008545 Whirlpool Screw4MAY 7101P329-605MAY 7744P105-606MAY 2416F039-627MAY 7103P045-608MAY 3601F236-479MAY 7101P290-6010MAY 7002P158-6011MAY 7101P037-6012W10080180 Whirlpool Nut13MAY 7907P016-6014MAY 7208P011-6015MAY 8010P085-6015MAY 2402W203-1916MAY 7212P034-6017MAY 7744P055-6018MAY 7744P075-6018MAY 7744P076-6019MAY 3405F019-8020MAY 8010P086-6021WP8004P026-60 Whirlpool Support22MAY 7101P291-6023MAY Y7744P0706024TAPE