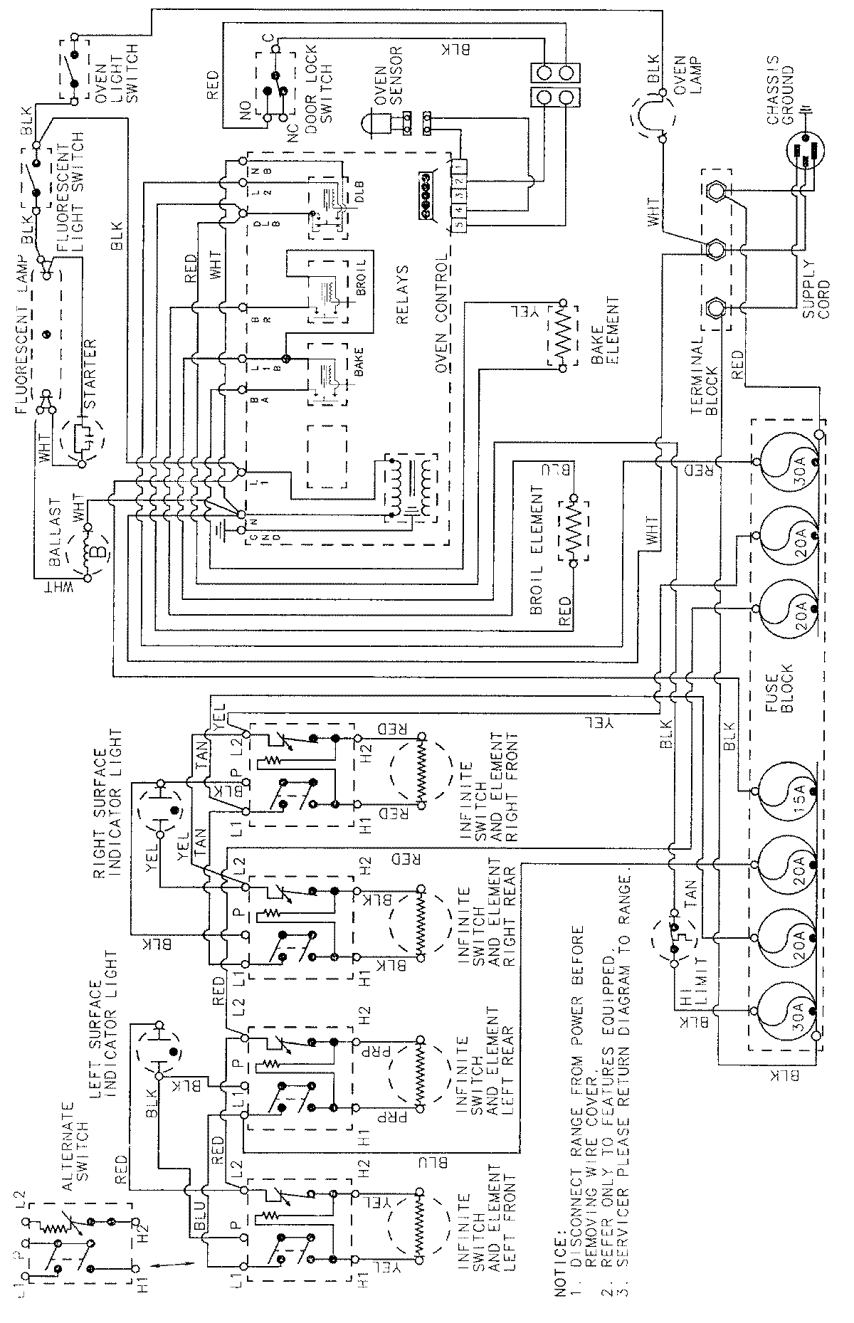
L3872VYV 06 – WIRING INFORMATIONadmin2025-04-26T09:03:23+00:00L3872VYV 06 – WIRING INFORMATION ProductsPositionProductNIMAY 15001813