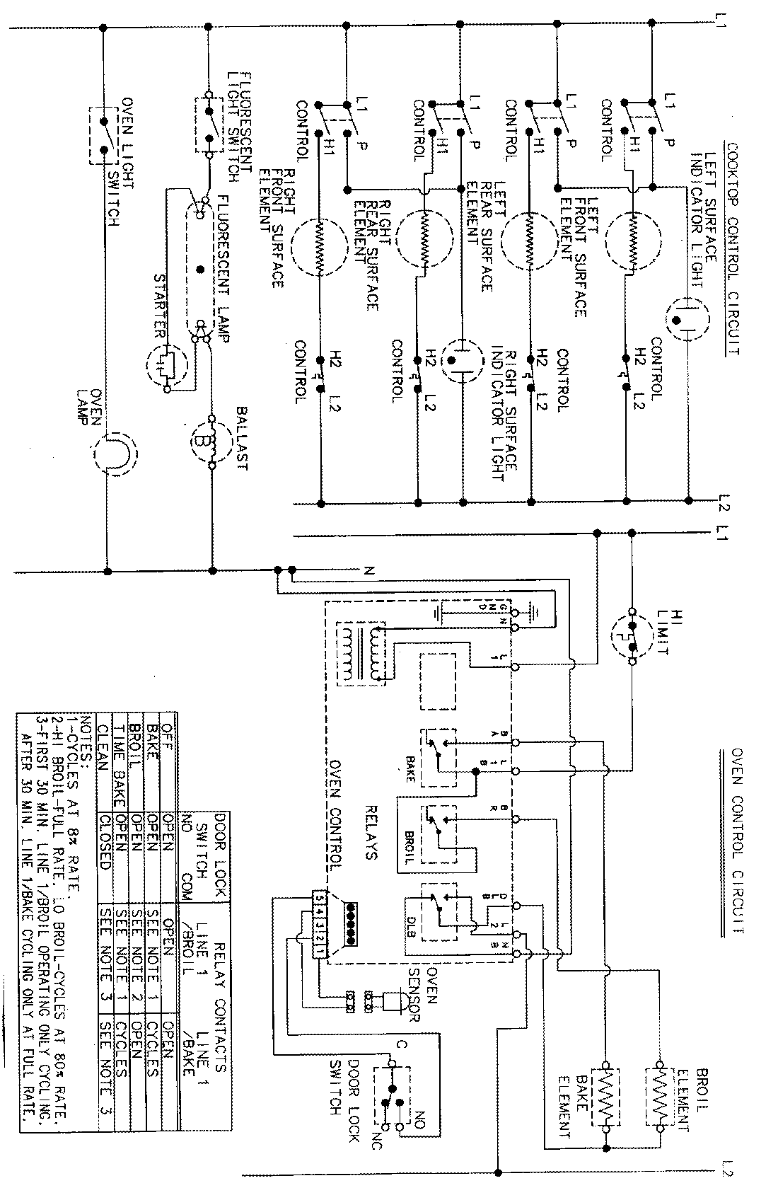
L3872XYB 06 – WIRING INFORMATIONadmin2025-04-26T09:04:39+00:00L3872XYB 06 – WIRING INFORMATION ProductsPositionProductNIMAY 15001813