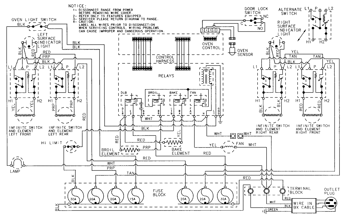
L6892VVV 06 – WIRING INFORMATIONadmin2025-04-26T09:05:05+00:00L6892VVV 06 – WIRING INFORMATION ProductsPositionProductNIMAY 15001716