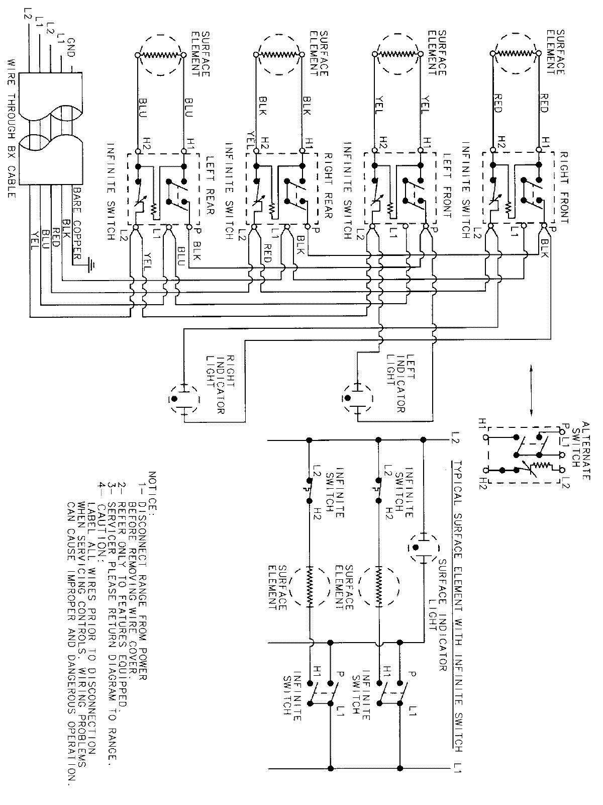
L8610PV 02 – WIRING INFORMATIONadmin2025-04-26T09:03:46+00:00L8610PV 02 – WIRING INFORMATION ProductsPositionProductNIMAY 15001477