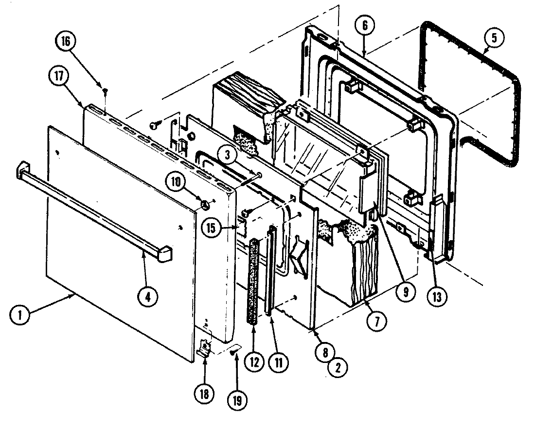
L9875XRB 03 – DOORadmin2025-04-26T09:03:08+00:00L9875XRB 03 – DOOR ProductsPositionProduct1MAY 7902P367-602MAY 8010P085-603SCREW4MAY 7701P110-605GASKT-DOOR OVEN6MAY 2402W202-197MAY 4804F034-608MAY 3601F232-459MAY 7907P021-6010MAY 8010P016-6011MAY 3818F052-8012MAY 7208P002-6013MAY 7208P011-6014MAY 7101P290-6015TAPE, FOIL (3`` WIDE)16WP98008545 Whirlpool Screw17MAY 2401F117-7019MAY 7101P276-60