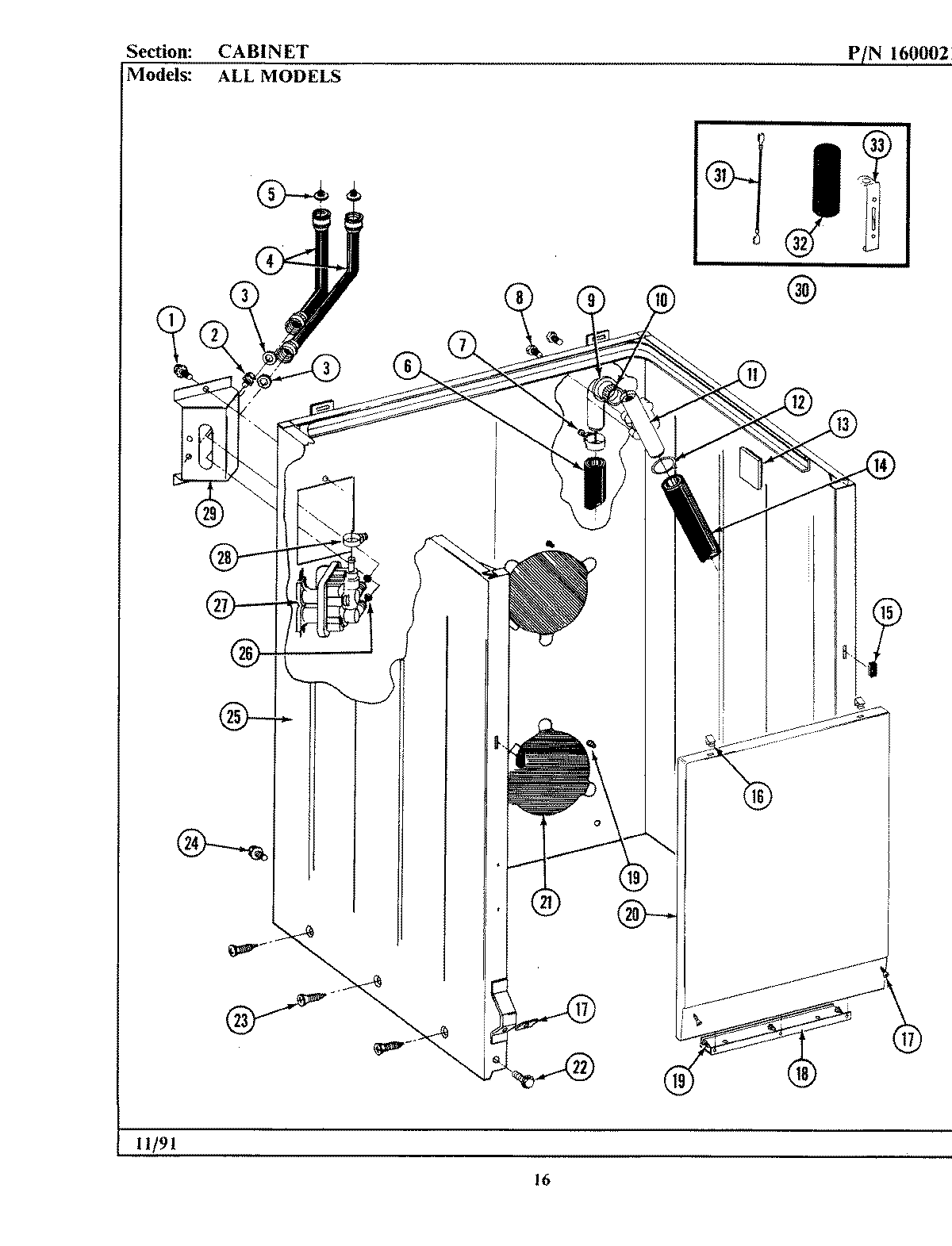
LA183 02 – CABINET