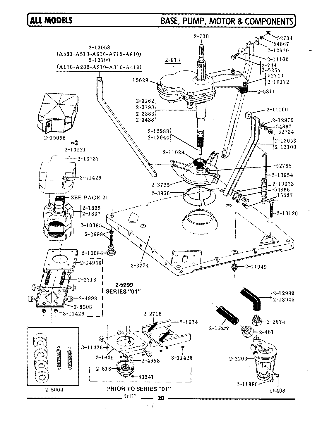
LA210 02 – BASE\PUMP\MOTORadmin2025-04-26T09:05:45+00:00LA210 02 – BASE\PUMP\MOTOR ProductsPositionProduct1MAY Y0154083MAY Y0156294MAY Y0527345WP62739 Whirlpool Nut6MAY Y0527857MAY Y0532418MAY Y0548669MAY Y05486710MAY 20046111MAY 20073012W10175939 Whirlpool Bolt Assembly13MAY 20075014MAY 20081315MAY 20081616MAY 20163917MAY 2016741812002351 Whirlpool Washer Drive Motor and Jumper Kit 1 Speed 1/2 HP19MAY 20220320WP285655 Whirlpool Hose Clamp22202718 Whirlpool Tension Spring23MAY 20316225MAY 20327427MAY 20372528203956 Whirlpool Damper Pads 3 Pack with Poly29MAY 20443730MAY 20480731205000 Whirlpool Motor Spring and Guide Kit33MAY 20513134SWITCH, MOTOR START PROD. NO. 2-1664-4, 2-1664-9, 2-1664-10352-1664-8 AND 2-546336MAY 20513437MAY 20581138MAY 20590839MAY 20599940MAY 21017241WP210385 Whirlpool Lock Nut42WP210684 Whirlpool Dishwasher Leveling Leg Pad43MAY 21102844MAY 21110045WPY014874 Whirlpool Screw46WP211949 Whirlpool Nut47MAY 21297948MAY 21298849WPY212989 Whirlpool Outer Hose53MAY 21305454MAY 21307355MAY 21310056MAY 21312057WPW10346892 Whirlpool Screw58MAY 21373759WP22003410 Whirlpool Drain Hose60MAY 21495661MAY 21509862LEG, ADJUSTABLE (W/NUT)---S63WP3400029 Whirlpool Dishwasher Nut