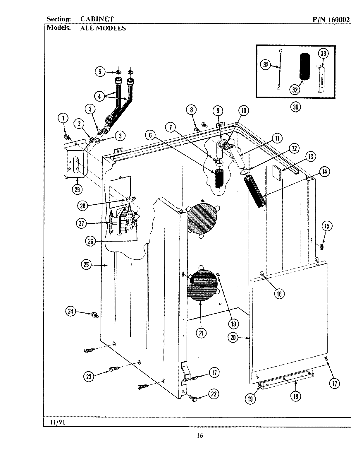
LA211 02 – CABINET