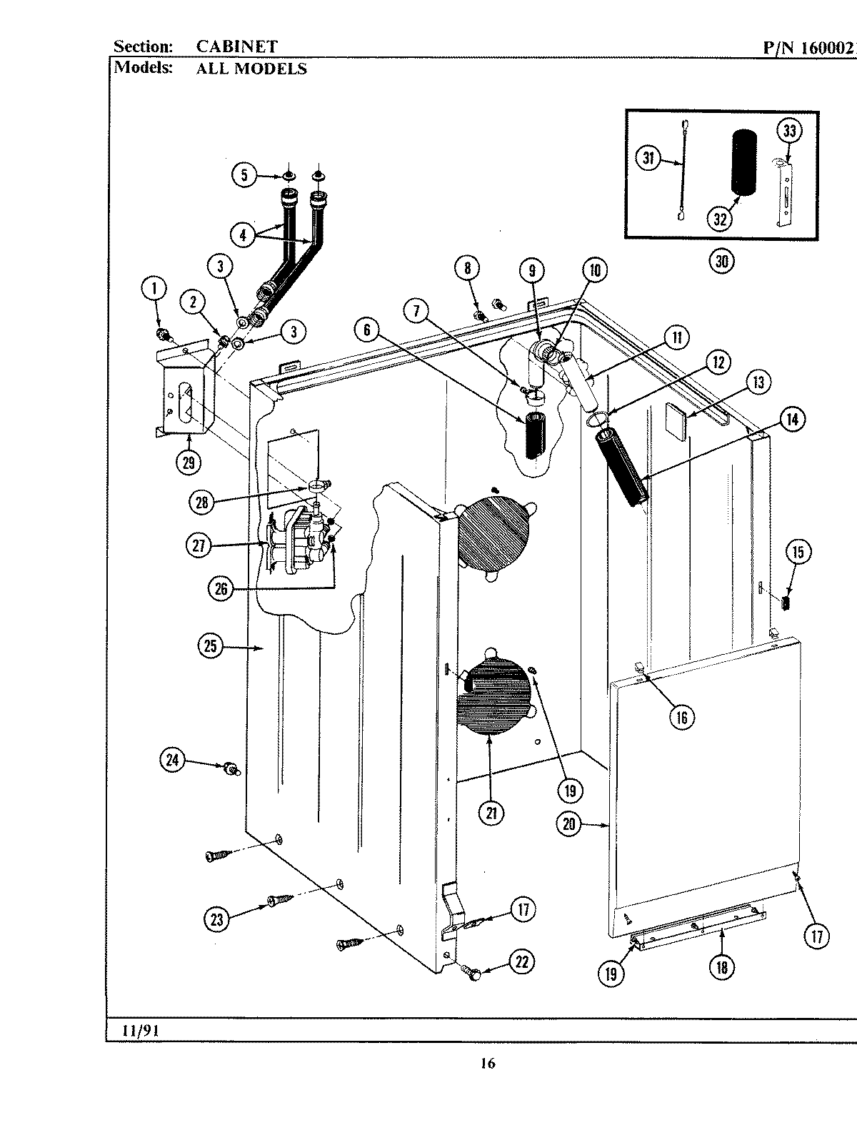
| 1 | MAY 212276 |
| 2 | MAY Y313561 |
| 3 | MAY Y013783 |
| 4 | 202860 Whirlpool Inlet Hose 5 FT |
| 5 | MAY 200961 |
| 6 | WP22003410 Whirlpool Drain Hose |
| 8 | WPY014874 Whirlpool Screw |
| 9 | MAY 214764 |
| 10 | WP214765 Whirlpool Gasket |
| 11 | 206638 Whirlpool Break Siphon Connector Kit |
| 12 | MAY 200461 |
| 13 | MAY 215058 |
| 14 | MAY 214767 |
| 15 | MAY 214376 |
| 16 | MAY 212982 |
| 17 | SCREW & FSTNER ASSY (FT. PNL) |
| 18 | MAY 213846 |
| 19 | WP90767 Whirlpool Screw |
| 20 | MAY 212998L |
| 21 | MAY 211878 |
| 22 | WP27001200 Whirlpool Screw |
| 23 | 213007 Whirlpool Screw #12 |
| 24 | WPW10346892 Whirlpool Screw |
| 26 | WP96160 Whirlpool Washer Inlet Valve Screen |
| 27 | 205613 Whirlpool Washer Water Inlet Valve |
| 28 | WP596669 Whirlpool Hose Clamp |
| 29 | MAY 214812 |
| 30 | MAY 206103 |
| 31 | MAY 203237 |
| 32 | MAY Y200832 |
| 33 | MAY 211149 |