| 001 | MAY 200961 |
| 002 | MAY 205828 |
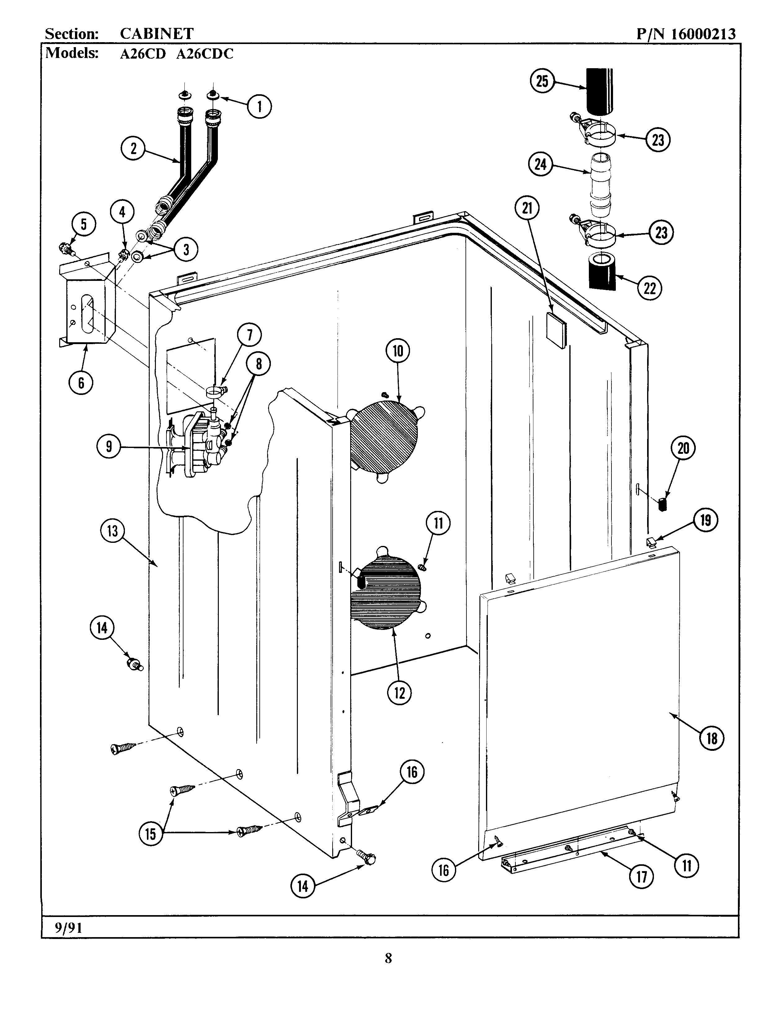
| 003 | MAY Y013783 |
| 004 | MAY Y313561 |
| 005 | MAY 212276 |
| 006 | MAY 214812 |
| 007 | WP596669 Whirlpool Hose Clamp |
| 008 | WP96160 Whirlpool Washer Inlet Valve Screen |
| 009 | 205613 Whirlpool Washer Water Inlet Valve |
| 011 | WP90767 Whirlpool Screw |
| 012 | MAY 212985 |
| 014 | WPW10346892 Whirlpool Screw |
| 015 | 213007 Whirlpool Screw #12 |
| 016 | SCREW & FSTNER ASSY (FT. PNL) |
| 017 | MAY 213846 |
| 018 | MAY 212998 |
| 018 | MAY 212998L |
| 018 | DOWEL PIN FOR HANDLE |
| 019 | MAY 212982 |
| 020 | MAY 214376 |
| 021 | MAY 215058 |
| 022 | MAY 214768 |
| 023 | MAY 200461 |
| 024 | WP16272 Whirlpool Hose Coupling |
| 025 | MAY 215057 |