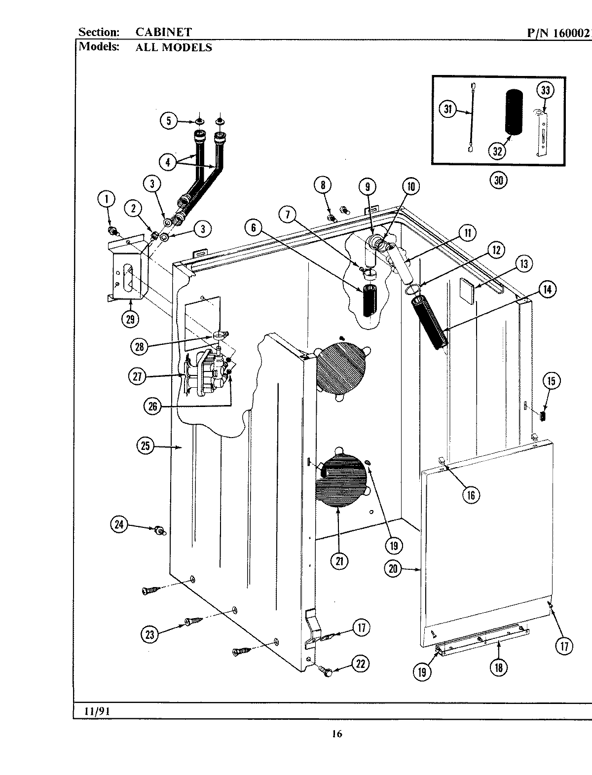
LA506 02 – CABINET