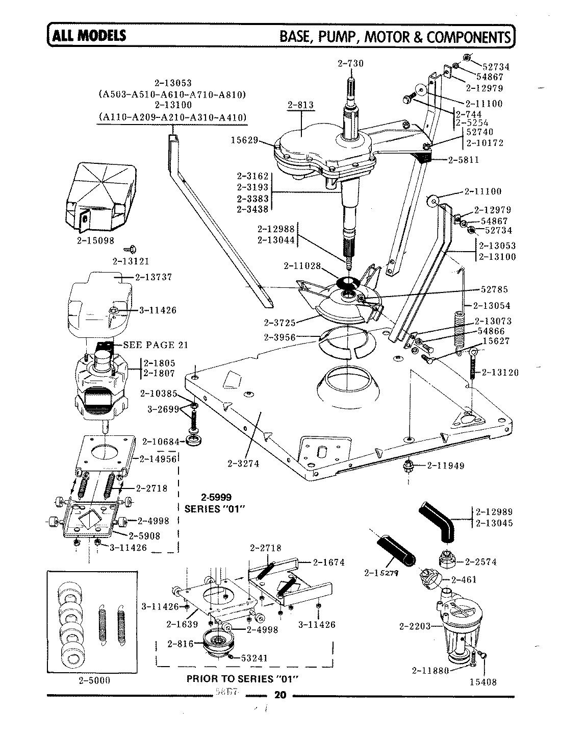
LA511 01 – BASE, PUMP, MOTOR & COMPONENTSadmin2025-04-26T09:18:49+00:00LA511 01 – BASE, PUMP, MOTOR & COMPONENTS ProductsPositionProduct1MAY Y0154083MAY Y0156294MAY Y0527345WP62739 Whirlpool Nut6MAY Y0527857MAY Y0532418MAY Y0548669MAY Y05486710MAY 20046111MAY 20073012W10175939 Whirlpool Bolt Assembly13MAY 20075014MAY 20081315MAY 20081616MAY 20163917MAY 2016741812002351 Whirlpool Washer Drive Motor and Jumper Kit 1 Speed 1/2 HP19MAY 20220320WP285655 Whirlpool Hose Clamp21202718 Whirlpool Tension Spring22MAY 20319323MAY 20327424MAY 20372325MAY 20372526203956 Whirlpool Damper Pads 3 Pack with Poly27MAY 20480728205000 Whirlpool Motor Spring and Guide Kit30MAY 20513131SWITCH, MOTOR START PROD. NO. 2-1664-4, 2-1664-9, 2-1664-10322-1664-8 AND 2-546333MAY 20513434MAY 20581135MAY 20590836MAY 20599937MAY 21017238WP210385 Whirlpool Lock Nut39WP210684 Whirlpool Dishwasher Leveling Leg Pad40MAY 21102841MAY 21110042WPY014874 Whirlpool Screw43WP211949 Whirlpool Nut44MAY 21297945PART NOT USED46WP213045 Whirlpool Dishwasher Tub to Pump Hose47PART NOT USED48MAY 21305449MAY 21307350MAY 21312051WPW10346892 Whirlpool Screw52MAY 21373753WP22003410 Whirlpool Drain Hose54MAY 21495655MAY 21509856LEG, ADJUSTABLE (W/NUT)---S57WP3400029 Whirlpool Dishwasher Nut