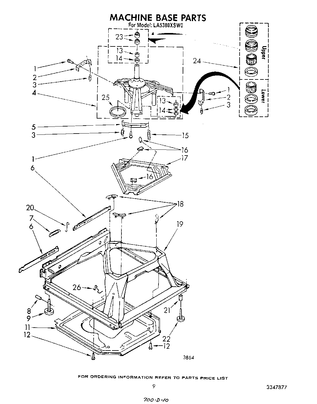
LA5380XSW0 07 – MACHINE BASEadmin2025-04-26T12:42:29+00:00LA5380XSW0 07 – MACHINE BASE ProductsPositionProduct1WP273556 Whirlpool Screw2WP64067 Whirlpool Bracket3WP63907 Whirlpool Washer Suspension Spring4Support & Brake, Tub5Bracket, Spring Outer (L.F.)6Link, Leveling Mechanism (2)78316845 Whirlpool Washer Spring8WP62837 Whirlpool Dowel Pin9285244 Whirlpool Leveling Feet11WP3946532 Whirlpool Shield12WP3390631 Whirlpool Screw13WP8546455 Whirlpool Bearing14W11095997 Whirlpool Seal15WPW10250667 Whirlpool Washer Suspension Spring16285219 Whirlpool Washer Suspension Plate Friction Pads 3 Pack17WP3946509 Whirlpool Skate Plate18285744 Whirlpool Washer Tub Suspension Rod Kit Pad 3 Pack19Base Assembly (Includes Illus, 6, 7, 8, 9, 18 & 26)21WP62739 Whirlpool Nut22WPW10001130 Whirlpool Leveling Leg23WP8577376 Whirlpool Seal24285203 Whirlpool CP Bearing25WP63134 Whirlpool Ring26WPW10145155 Whirlpool Retainer