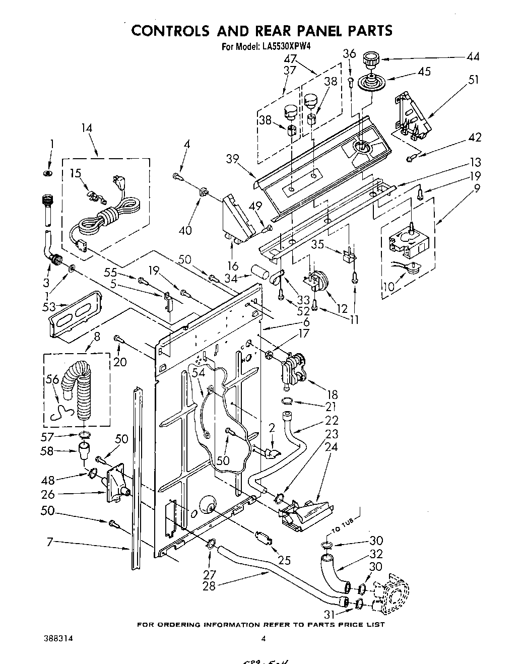
LA5530XPW4 03 – CONTROLS AND REAR PANELadmin2025-04-26T12:34:30+00:00LA5530XPW4 03 – CONTROLS AND REAR PANEL
Products
| Position | Product |
|---|
| 1 | WP16123 Whirlpool Washer |
| 2 | Pin, Cabinet Guide (2) |
| 3 | WP89503 Whirlpool Washer Fill Hose |
| 5 | Hinge, Console (2) |
| 6 | Panel, Rear |
| 7 | WP62747 Whirlpool Pad |
| 8 | 285664 Whirlpool Drain Hose |
| 8 | 285666 Whirlpool Drain Hose 10' |
| 9 | Timer, Control (60 Hz.) |
| 10 | Motor, Timer |
| 11 | WP90767 Whirlpool Screw |
| 12 | Switch, Water Level |
| 13 | Bracket, Control |
| 14 | Cord, Power |
| 15 | Strain Relief, Power Cord |
| 16 | Cap, End (L.H.) |
| 17 | WP96160 Whirlpool Washer Inlet Valve Screen |
| 18 | 285805 Whirlpool Washer Water Inlet Valve |
| 19 | WP3351614 Whirlpool Screw |
| 21 | WP596669 Whirlpool Hose Clamp |
| 22 | HOSE |
| 24 | WP3347034 Whirlpool Vacuum Break |
| 25 | WP8519200 Whirlpool Support Assembly |
| 26 | WPW10358149 Whirlpool Hose |
| 27 | WP356138 Whirlpool Hose Clamp |
| 28 | WP3348552 Whirlpool Hose |
| 30 | WP371502 Whirlpool Clamp |
| 31 | WP285655 Whirlpool Hose Clamp |
| 32 | 285871 Whirlpool Hose and Clamp |
| 33 | 357030 Whirlpool Clamp |
| 34 | CAPACITOR |
| 35 | Switch, Water Temperature (Alt.) |
| 35 | Switch, Water Temperature 358934 (Alt.) 358935 (Alt.) |
| 35 | Switch, Water Temperature (Alt.) |
| 36 | WP356418 Whirlpool Screw |
| 38 | WP688805 Whirlpool Spring Clip |
| 39 | Panel, Console |
| 40 | WP689559 Whirlpool Nut |
| 42 | WPL 355326 |
| 44 | Knob, Timer |
| 45 | Dial, Timer |
| 47 | Knob, Water Temperature |
| 49 | WPL 64211 |
| 50 | WP3390631 Whirlpool Screw |
| 51 | WPL 63795 |
| 52 | SCREW |
| 53 | Rack, Literature |
| 54 | WPL 364089 |
| 55 | WP308685 Whirlpool Microwave Screw |
| 56 | WPL 357247 |
| 57 | WP616099 Whirlpool Clamp |
| 58 | WP384496 Whirlpool Hose Coupling |