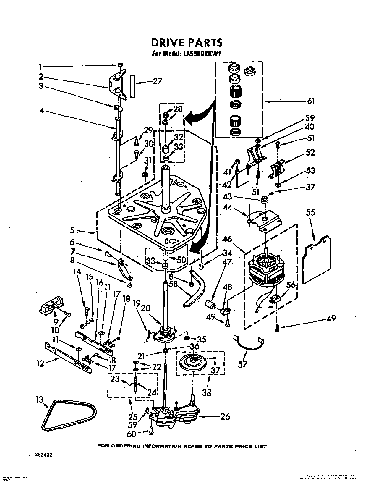
LA5580XKW1 03 – DRIVE