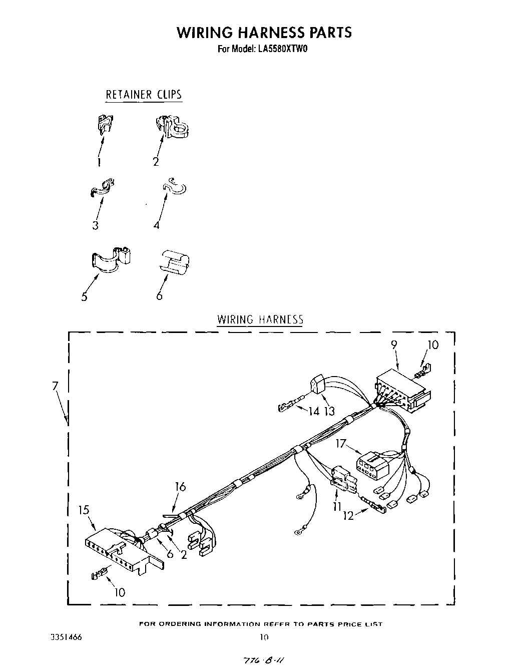
LA5580XTN0 08 – WIRING HARNESSadmin2025-04-26T12:36:20+00:00LA5580XTN0 08 – WIRING HARNESS ProductsPositionProduct1Clip, Harness2Clip, Harness38528351 Whirlpool Clip4Clip, Harness (3)5WP90016 Whirlpool Clip6Protector, Harness7Wiring Harness & Pressure Switch Hose9W10876590 Whirlpool Connector10Terminal, Female11WP62889 Whirlpool Washer Lid Switch Terminal Receptacle12WP94614 Whirlpool Terminal13353424 Whirlpool Connector14WP596797 Whirlpool Terminal15WP62505 Whirlpool Connector16WP353244 Whirlpool Hose17Block, Disconnect