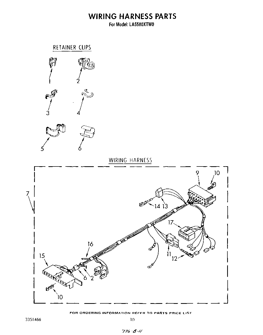
LA5580XTW0 08 – WIRING HARNESS