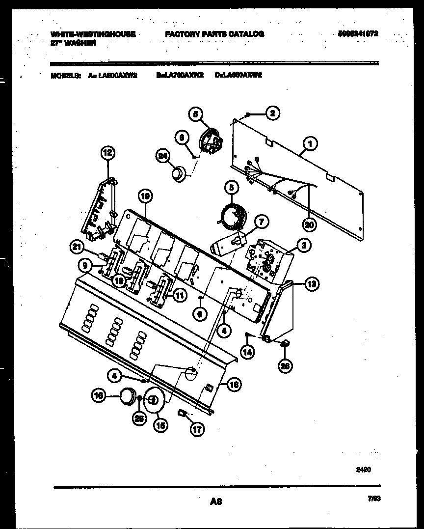
LA600AXD2 05 – CONSOLE AND CONTROL PARTSadmin2025-04-26T09:15:15+00:00LA600AXD2 05 – CONSOLE AND CONTROL PARTS ProductsPositionProduct*80276SCREW*80276131243800 Frigidaire Screw1COVER-BACK2131205100 Frigidaire Screw3WCI 53032717674SCREW (2)5WCI 13104770065303015671 Frigidaire Bracket Termination Screw9WCI 13104760010WCI 13111810012WCI 530329134413WCI 530329135214WCI 530328952615WCI 13111850016KNOB-TIMER18WCI 13111600019WCI 13115780220WCI 13116590021PUSHBUTTON (4)24WCI 13111860025Spacer,washer ,timer shaft26CLIP