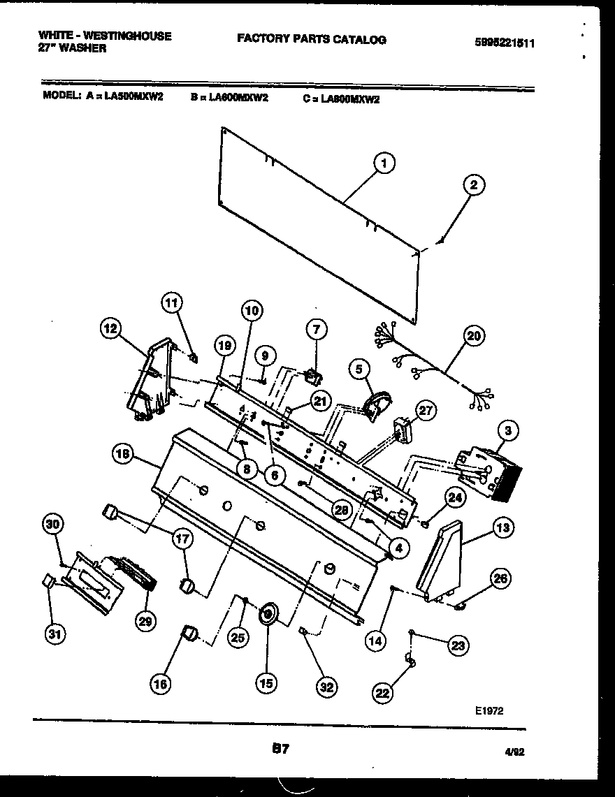
LA600MXH2 05 – CONSOLE AND CONTROL PARTSadmin2025-04-26T09:17:05+00:00LA600MXH2 05 – CONSOLE AND CONTROL PARTS ProductsPositionProduct1COVER-BACK3WCI 53032717714SCREW (2)5WCI 53032109646131168200 Frigidaire Dryer Screw7WCI 53032101328WCI 316125995303015671 Frigidaire Bracket Termination Screw10WCI 328120011CLIP (8)12WCI 320584213WCI 320584014SCREW (2)15WCI 530321013316WCI 530321013417WCI 530063372218WCI 530321122919WCI 530321013720WCI 530321253120WCI 530321033022WCI 537917100023131243800 Frigidaire Screw24WCI 530328549325Spacer,washer ,timer shaft26CLIP