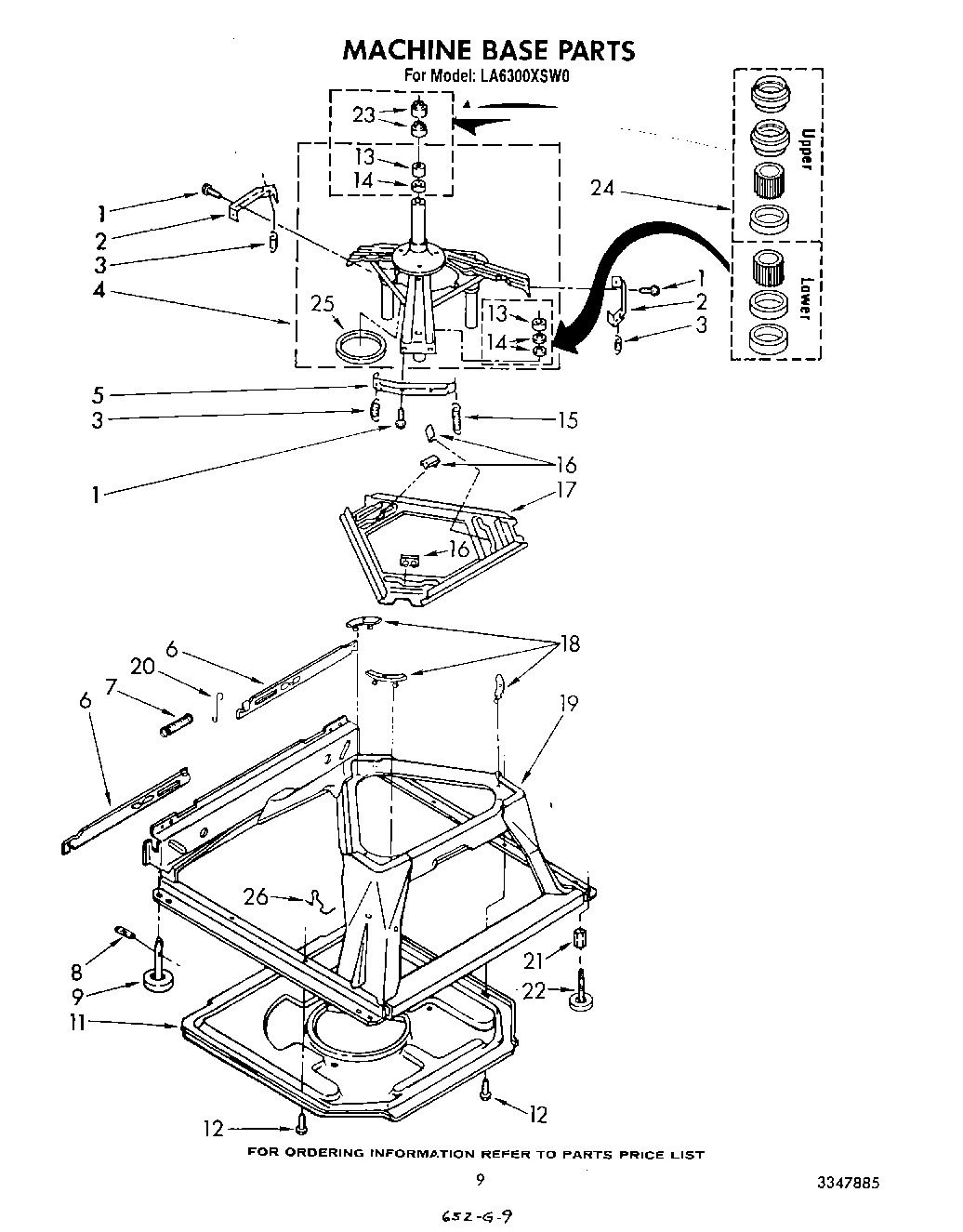
LA6300XSW0 07 – MACHINE BASE