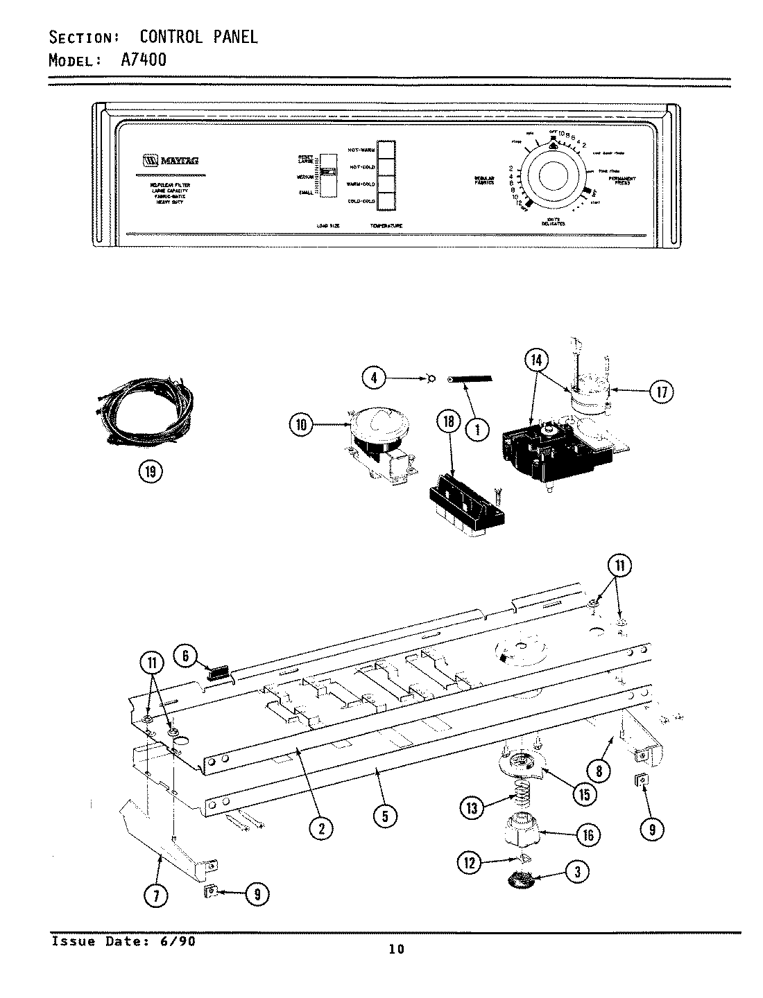
LA7400 04 – CONTROL PANELadmin2025-04-26T09:19:35+00:00LA7400 04 – CONTROL PANEL ProductsPositionProduct1MAY 2129422MAY 2148093MAY 2158214WP596669 Whirlpool Hose Clamp5MAY 2109325MAY 2074006MAY 2148977MAY 2072158MAY 2072169MAY 21489410WPW10139210 Whirlpool Screw10MAY 20736211MAY 21487212MAY 21160513WP211065 Whirlpool Timer Spring14WP3400014 Whirlpool Dishwasher Screw14MAY 20737615MAY 21582716MAY 21582817MAY 20503318MAY 20736718WP67006908 Whirlpool Refrigerator Screw19MAY 207382