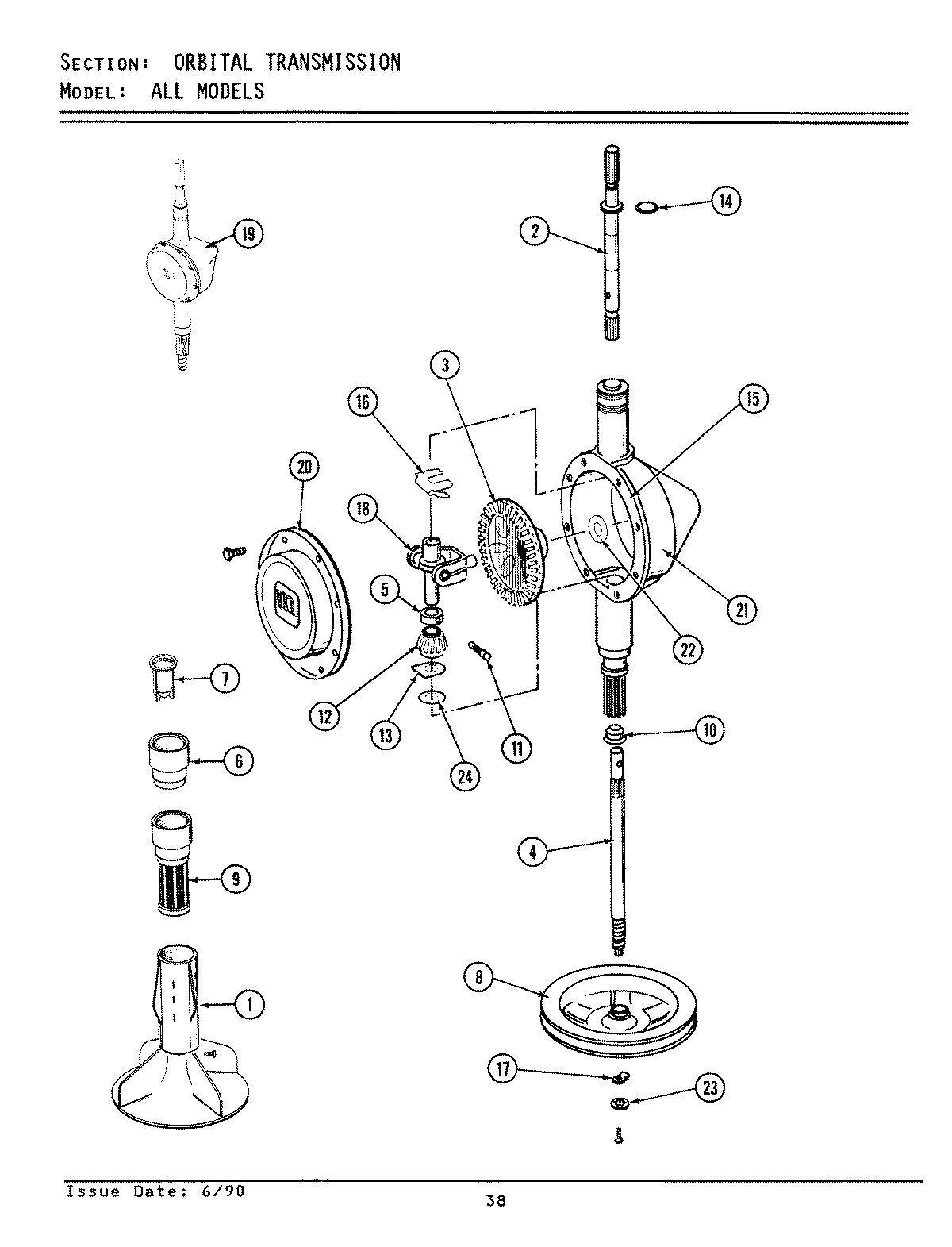
LA7500S 03 – ORBITAL TRANSMISSIONadmin2025-04-26T09:18:31+00:00LA7500S 03 – ORBITAL TRANSMISSION ProductsPositionProduct1MAY 2075382MAY 2071533MAY 2067134MAY 2154115MAY 2154158MAY 21105910MAY 20660211WPY206629 Whirlpool Pin Collar12WPW10221114 Whirlpool Pinion13WP215395 Whirlpool Clutch Plate14MAY 21069015MAY Y05870016WP215581 Whirlpool Spring Assembly17WP211089 Whirlpool Lug Stop17WP912618 Whirlpool Dishwasher Screw18MAY 20668519MAY 20670820MAY 21541720MAY 20662821MAY 20662522MAY 21539423WP22003555 Whirlpool Washer ST24WP6-2114830 Whirlpool Washer Spare Part