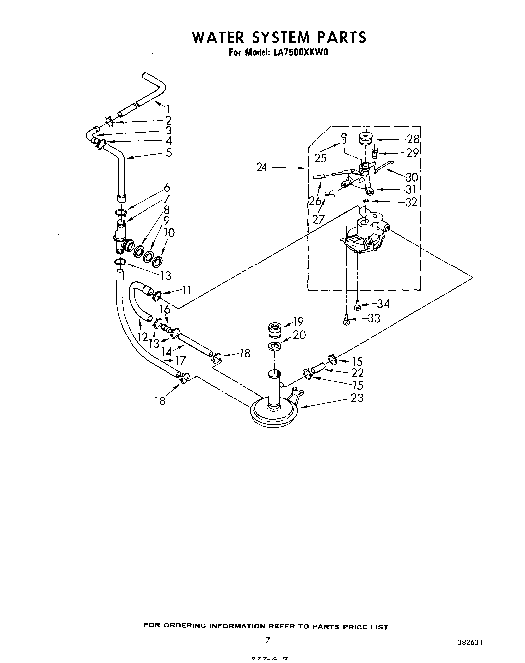
LA7500XKW0 05 – WATER SYSTEMadmin2025-04-26T12:38:27+00:00LA7500XKW0 05 – WATER SYSTEM
Products
| Position | Product |
|---|
| 1 | Hose, Gooseneck |
| 3 | Connector, Hose |
| 5 | Hose, Side Check To Drain (Non-Suds & Suds) |
| 6 | WP356138 Whirlpool Hose Clamp |
| 7 | Valve, Side Check |
| 8 | Washer, Rubber |
| 9 | Washer, Fiber |
| 10 | Nut, Spanner |
| 11 | WP616099 Whirlpool Clamp |
| 12 | Hose |
| 13 | Clamp, Hose (Alternate) |
| 14 | Hose, Pump To Filter |
| 15 | WP285655 Whirlpool Hose Clamp |
| 16 | WP16272 Whirlpool Hose Coupling |
| 17 | Hose, Side Check To Filter |
| 19 | Hose, Tub Outlet |
| 20 | Clip, Hose |
| 22 | Hose |
| 23 | Manifold & Filter Assembly |
| 24 | 350365 Whirlpool Dryer Washer Water Pump, 2-Port |
| 25 | WP273556 Whirlpool Screw |
| 26 | Sleeve |
| 27 | Spring, Toggle |
| 28 | Pulley, Pump (Alternate) |
| 29 | Lever, Valve |
| 30 | Rod, Connecting |
| 31 | Bearing Block Assembly |
| 32 | Wick, Oil |
| 33 | 386011 Whirlpool Screw |
| 34 | Screw, Pump To Gearcase |