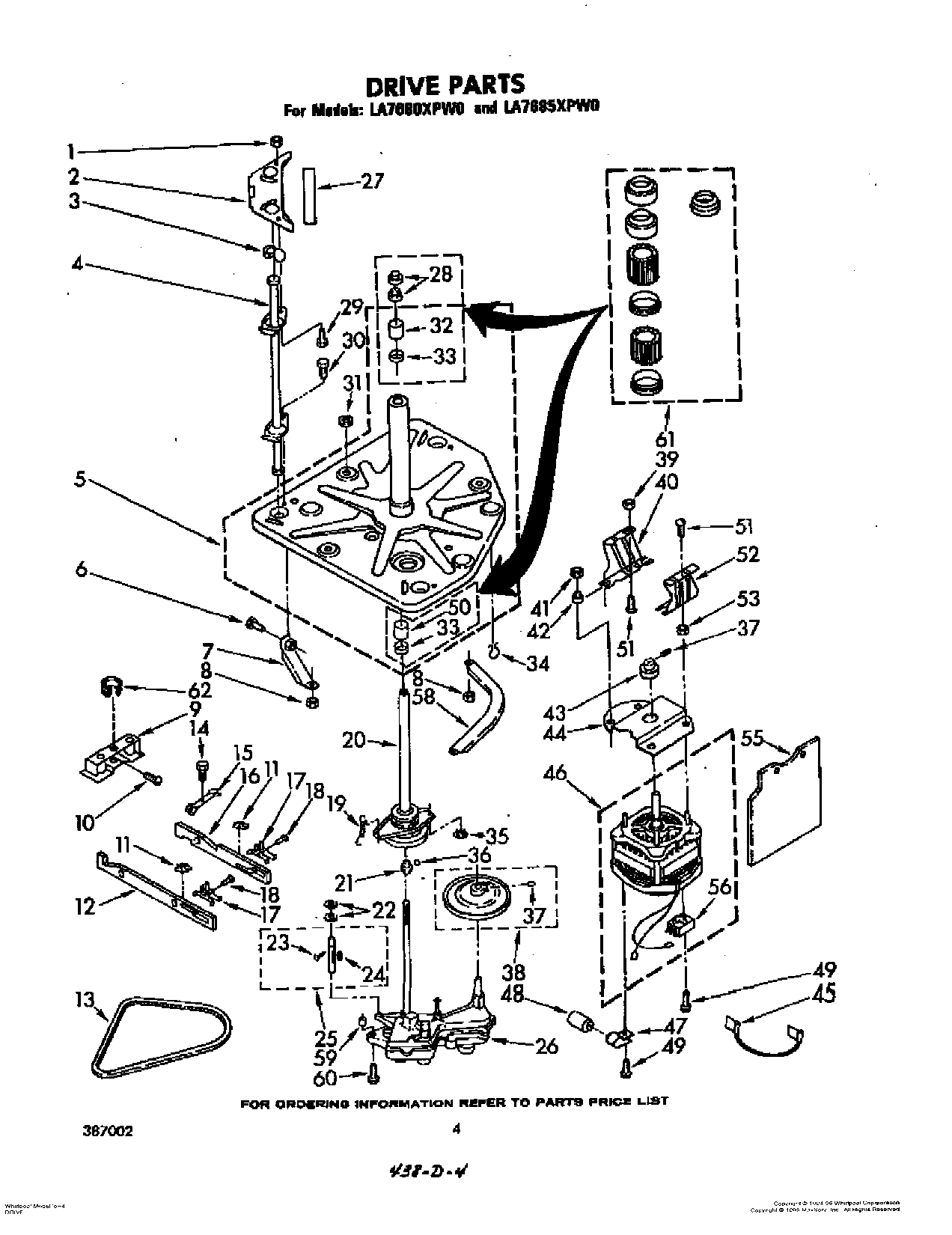
LA7685XPW0 03 – DRIVE