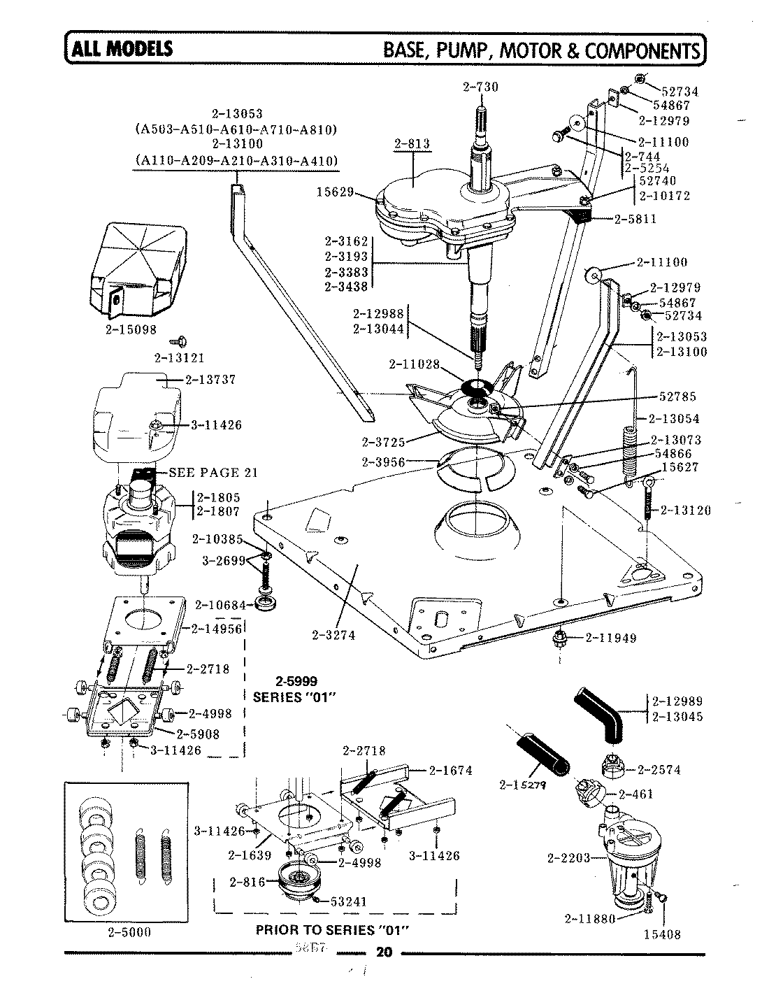
LA810 01 – BASE, PUMP, MOTOR & COMPONENTSadmin2025-04-26T09:18:13+00:00LA810 01 – BASE, PUMP, MOTOR & COMPONENTS ProductsPositionProduct1MAY Y0154083MAY Y0156294MAY Y0527345WP62739 Whirlpool Nut6MAY Y0527857MAY Y0532418MAY Y0548669MAY Y05486710MAY 20046111MAY 20073012W10175939 Whirlpool Bolt Assembly13MAY 20075014MAY 20081315MAY 20081616MAY 20163917MAY 20167419MAY 20180720MAY 20220321WP285655 Whirlpool Hose Clamp22202718 Whirlpool Tension Spring23MAY 20319324MAY 20327425MAY 20372326MAY 20372527203956 Whirlpool Damper Pads 3 Pack with Poly28MAY 20443729MAY 20480730205000 Whirlpool Motor Spring and Guide Kit32MAY 20513133SWITCH, MOTOR START PROD. NO. 2-1664-4, 2-1664-9, 2-1664-10342-1664-8 AND 2-546335MAY 20513436MAY 20581137MAY 20590838MAY 20599939MAY 21017240WP210385 Whirlpool Lock Nut41WP210684 Whirlpool Dishwasher Leveling Leg Pad42MAY 21102843MAY 21110044WPY014874 Whirlpool Screw45WP211949 Whirlpool Nut46MAY 21297947PART NOT USED48WP213045 Whirlpool Dishwasher Tub to Pump Hose49PART NOT USED50MAY 21305451MAY 21307352MAY 21312053WPW10346892 Whirlpool Screw54MAY 21373755WP22003410 Whirlpool Drain Hose56MAY 21495657MAY 21509858LEG, ADJUSTABLE (W/NUT)---S59WP3400029 Whirlpool Dishwasher Nut