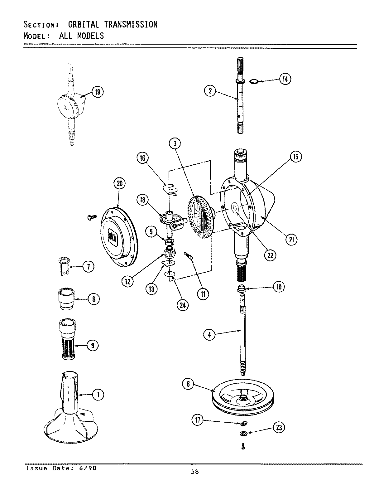
LA8420 05 – ORBITAL TRANSMISSIONadmin2025-04-26T09:17:00+00:00LA8420 05 – ORBITAL TRANSMISSION ProductsPositionProduct1MAY 2064781MAY 2075382MAY 2071533MAY 2067134MAY 2154115MAY 2154156MAY 2157217MAY 2157338MAY 2110599WPY207427 Whirlpool Lint Filter10MAY 20660211WPY206629 Whirlpool Pin Collar12WPW10221114 Whirlpool Pinion13WP215395 Whirlpool Clutch Plate14MAY 21069015MAY Y05870016WP215581 Whirlpool Spring Assembly17WP912618 Whirlpool Dishwasher Screw17WP211089 Whirlpool Lug Stop18MAY 20668519MAY 20670820MAY 20662820MAY 21541721MAY 20662522MAY 21539423WP22003555 Whirlpool Washer ST24WP6-2114830 Whirlpool Washer Spare Part