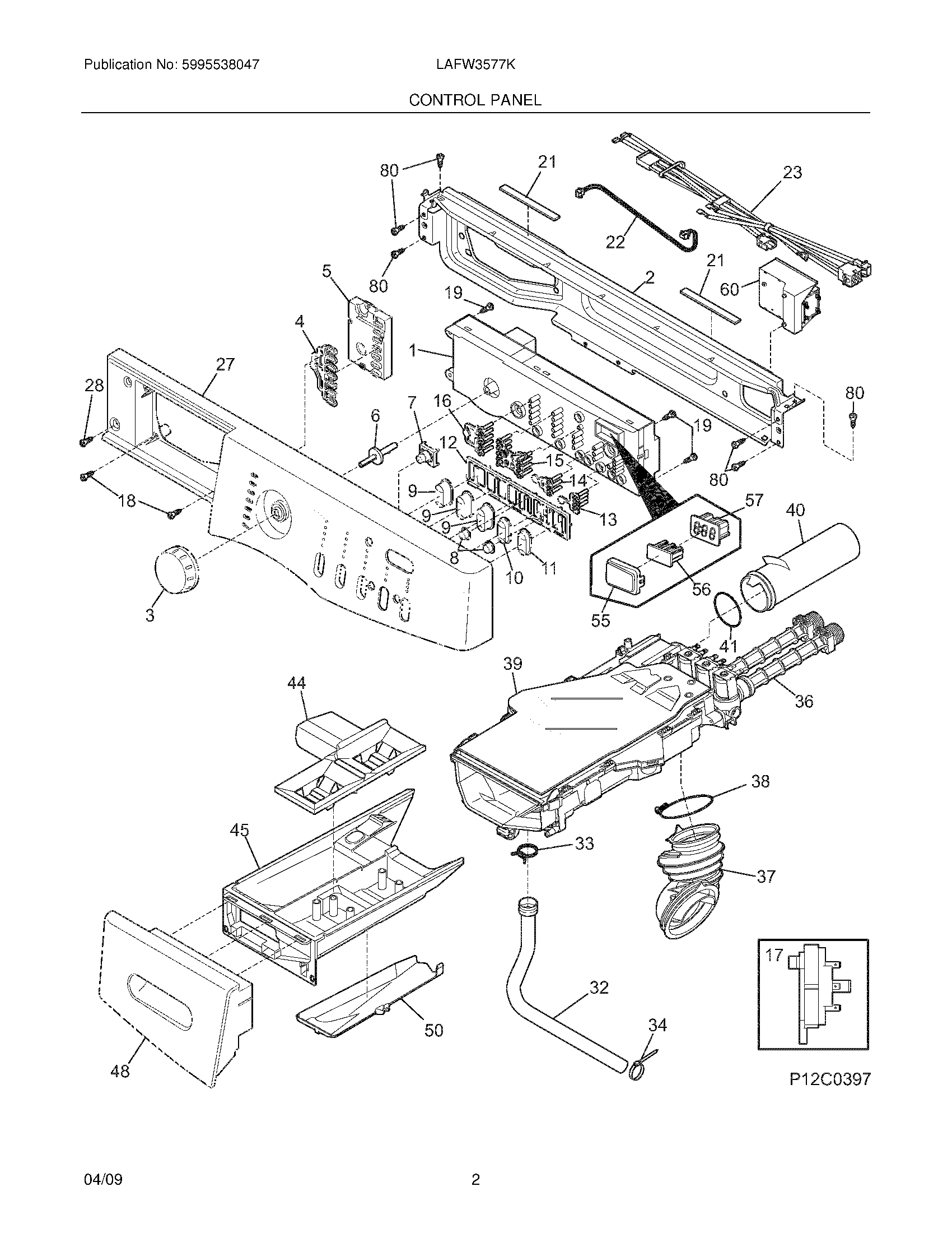
LAFW3577KW0 03 – CONTROL PANELadmin2025-04-26T09:16:56+00:00LAFW3577KW0 03 – CONTROL PANEL ProductsPositionProductNI134178901 Frigidaire ScrewNIWCI 134887800NIWCI 134555800NI134371300 DISPENSER TO VALVE GASKET1137007010 Frigidaire Control Board2WCI 1343648003WCI 1345512254WCI 1345531005134556500NH Frigidaire UIB6WCI 1343477007WCI 1348915008WCI 1345555259WCI 13455342510WCI 13455544011WCI 13486440012WCI 13488490013WCI 13455750014WCI 13455740015WCI 13455280016WCI 13460000017134762000 Frigidaire Pressure Switch18131302800 Frigidaire Drum Vane Screw19134402900 Frigidaire Screw21134407900 Frigidaire Dampener22WCI 13460210023WCI 13473950027WCI 13716721028131205300 Frigidaire Screw32WCI 13458650033134737300 Frigidaire Clamp345304464772 Frigidaire Refrigerator Wire Tie36134371220 Frigidaire Dispenser Fill Valve37134372300 Frigidaire Hose38134372400 Frigidaire Clamp40WCI 13437210041134372200 Frigidaire O-Ring44134370200 Frigidaire Washer Dispenser Drawer Cover45134370000 Frigidaire Washer Detergent Dispenser Drawer48WCI 13716801050134409320 Frigidaire Dispenser Assembly55WCI 13455320056WCI 13455730057WCI 13450330060134558200 Frigidaire Control80131168200 Frigidaire Dryer Screw