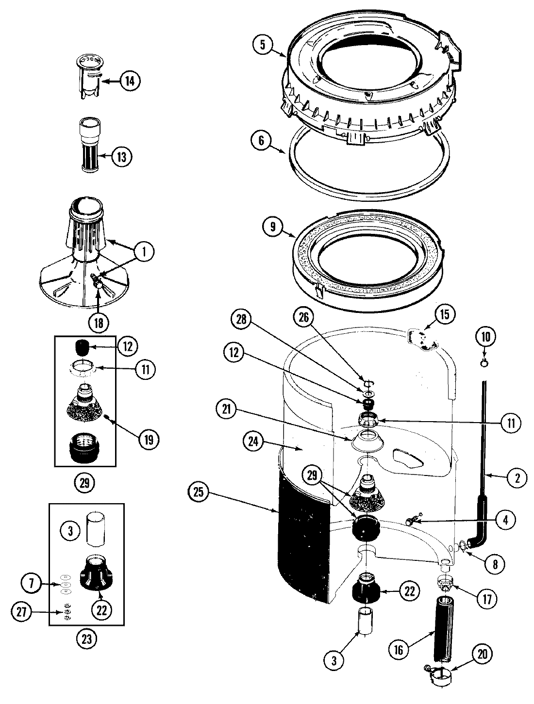
LAT2914AAE 07 – TUB