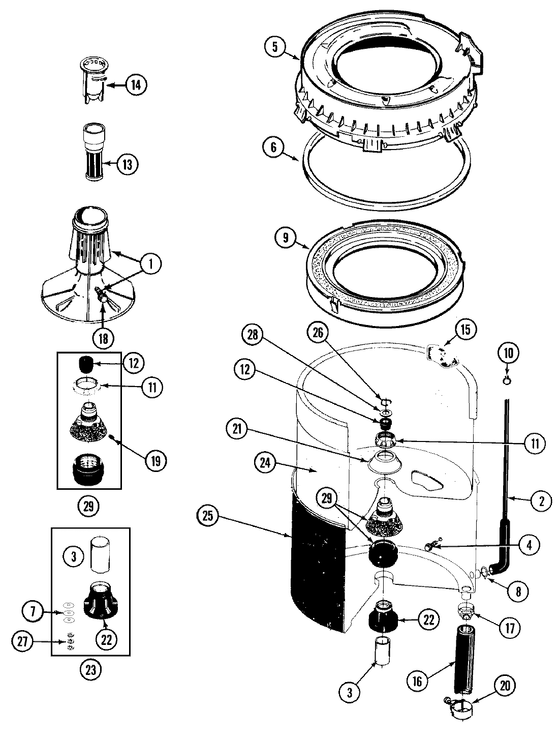
LAT2914AAM 07 – TUB