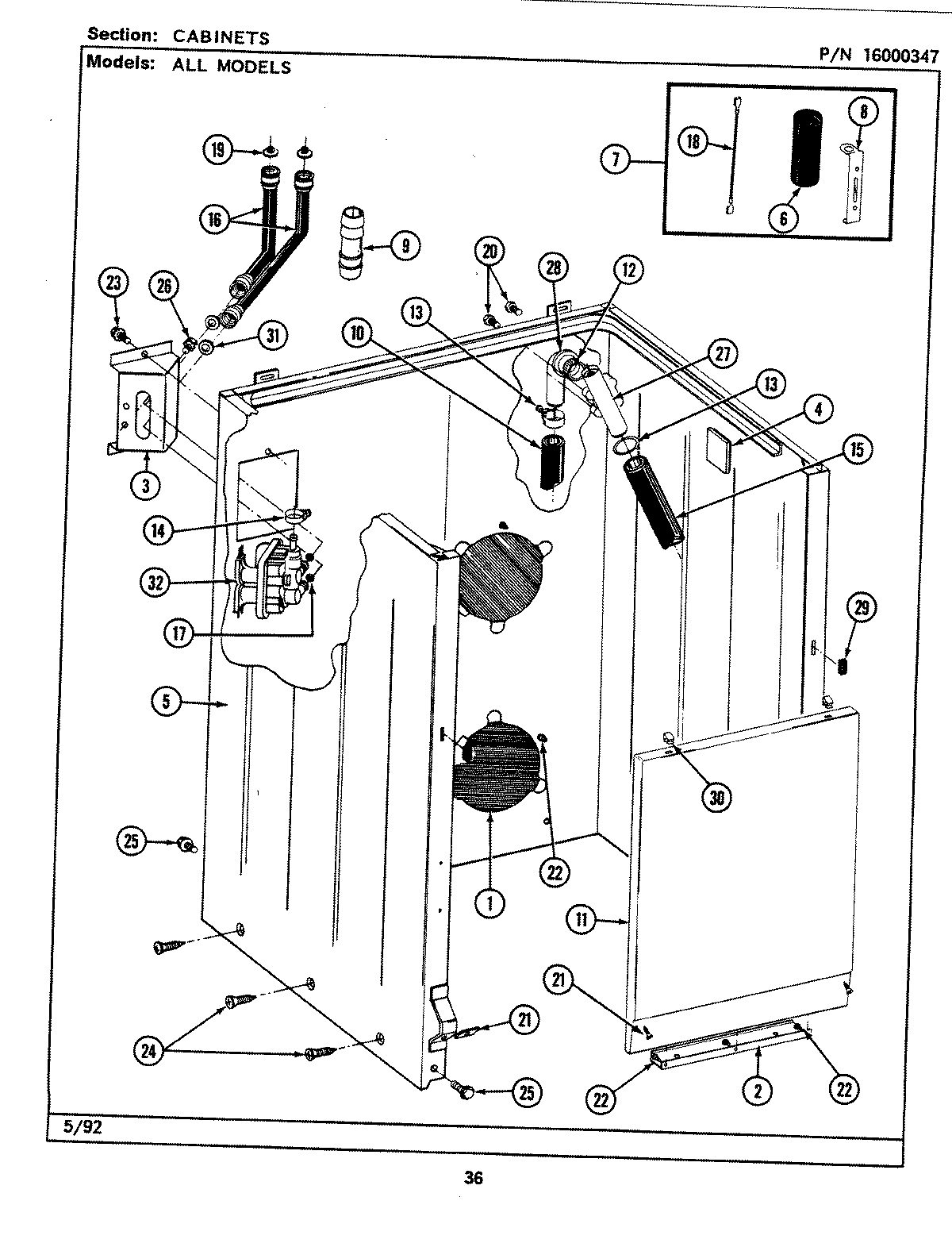
LAT4910AAW 02 – CABINET