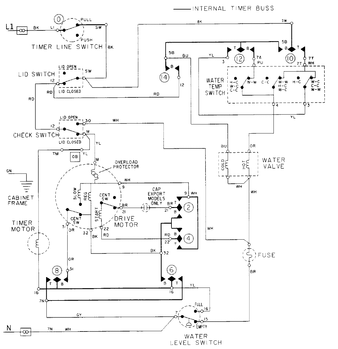
LAT4916AAE 08 – WIRING INFORMATIONadmin2025-04-26T09:16:04+00:00LAT4916AAE 08 – WIRING INFORMATION ProductsPositionProductNIMAY 15001924NIMAY 15002096