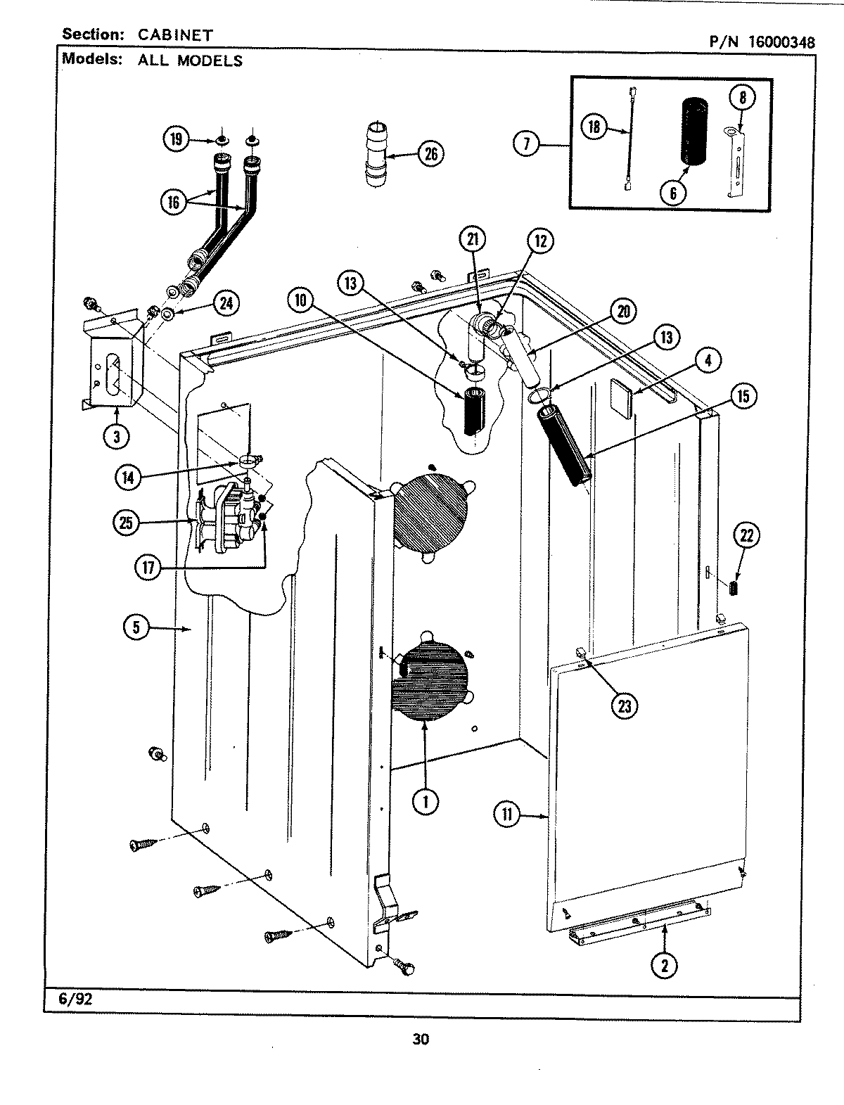
LAT5000ABW 02 – CABINET