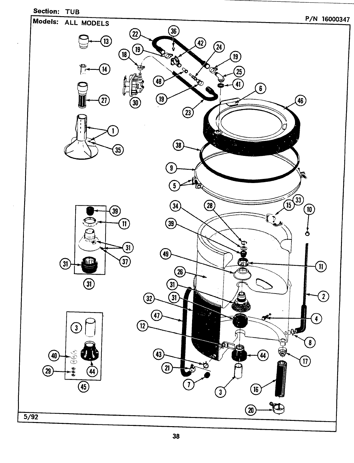
LAT5910BAL 07 – TUB