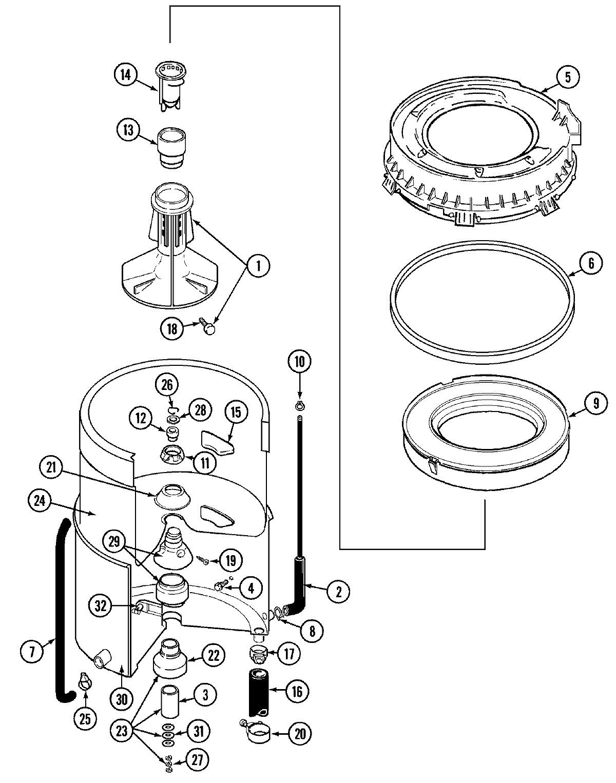
LAT6914AAL 07 – TUB