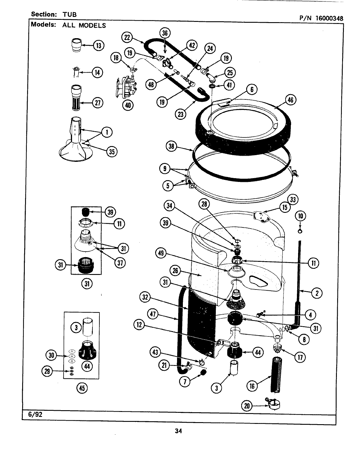
LAT7300ABW 07 – TUB